Curiosii for ever!
: Car repair manuals for everyone.
Home
>>
Lexus
>>
2006
>>
LS 430 V8-4.3L (3UZ-FE)
>>
Repair and Diagnosis
>>
Relays and Modules
>>
Relays and Modules - Cruise Control
>>
Cruise Control Module
>>
Locations
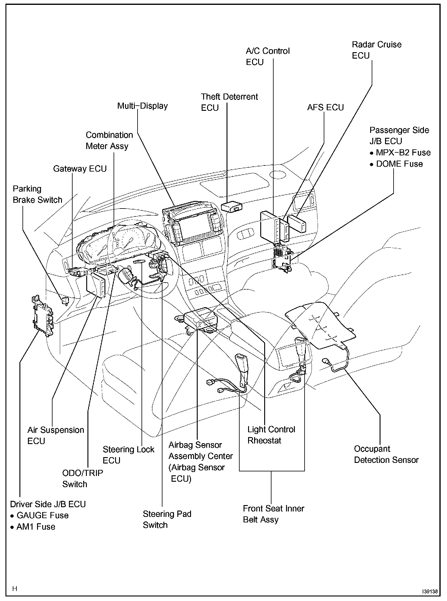
Cruise Control Module: Locations
Combination Meter:
Power Mirror Control System (W/Memory):
Multiplex Communication System: