Curiosii for ever!: Car repair manuals for everyone.

IACV Control Circuit

IACV CONTROL CIRCUIT

CIRCUIT DESCRIPTION




This circuit opens and closes the Intake Air Control Valve (IACV) in response to the engine load in order to increase the intake efficiency (ACIS: Acoustic Control Induction System).

When the engine speed is 4,700 rpm or more and the throttle valve opening angle is 60 degrees or more, the IACV is open (VSV: OFF). At all other times, the IACV is closed (VSV: ON).

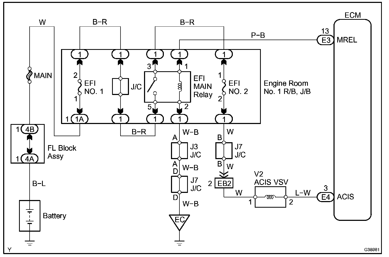
Wiring Diagram:






Step 1-3:




Step 4:




Step 5-6:




INSPECTION PROCEDURE