Curiosii for ever!
: Car repair manuals for everyone.
Home
>>
Lexus
>>
2006
>>
LS 430 V8-4.3L (3UZ-FE)
>>
Repair and Diagnosis
>>
Powertrain Management
>>
Computers and Control Systems
>>
Main Relay (Computer/Fuel System)
>>
Locations
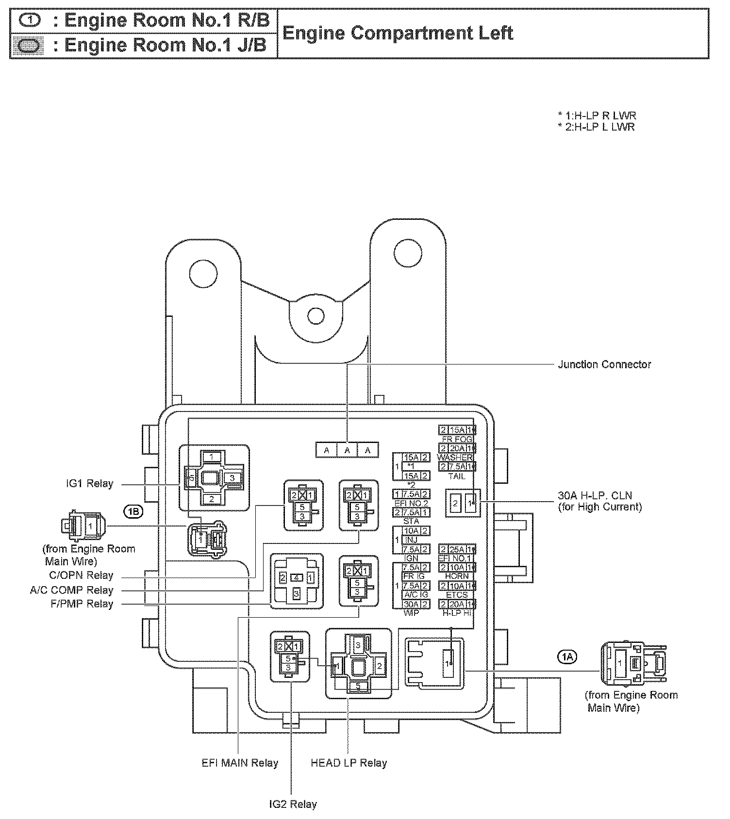
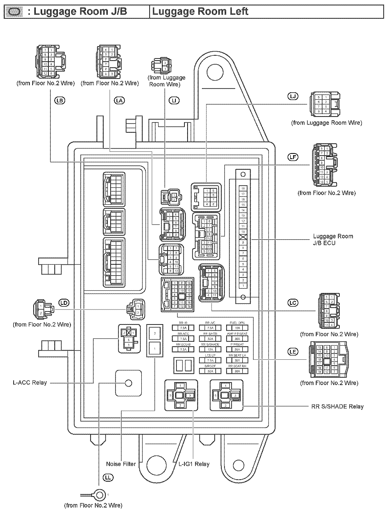
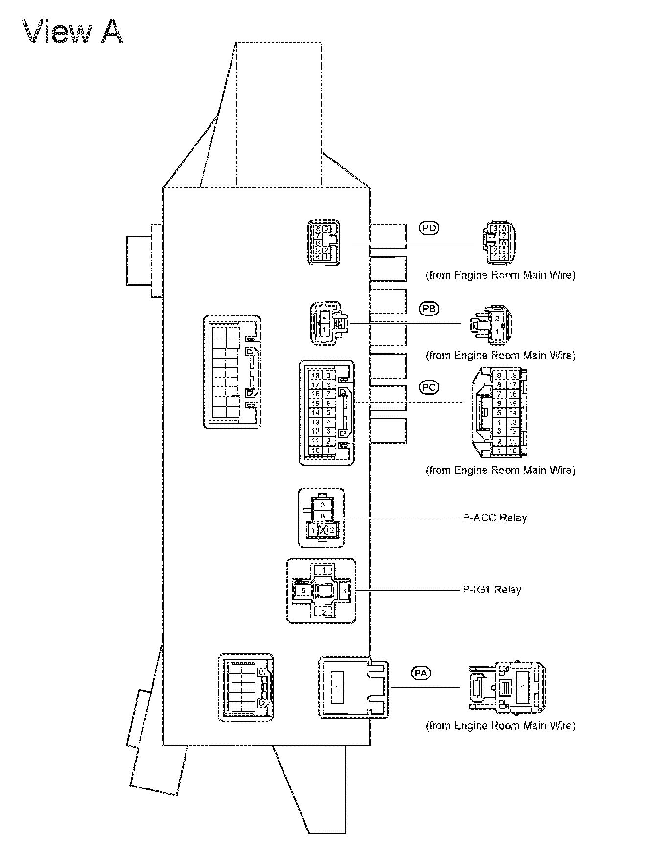
Main Relay (Computer/Fuel System): Locations
Fuel System:
Engine Room No.1 R/B, J/B - Engine Compartment Left:
Driver Side J/B - Left Kick Panel:
Passenger Side J/B - Right Kick Panel:
Luggage Room J/B - Luggage Room Left: