Curiosii for ever!
: Car repair manuals for everyone.
Home
>>
Lexus
>>
2006
>>
LS 430 V8-4.3L (3UZ-FE)
>>
Repair and Diagnosis
>>
Powertrain Management
>>
Computers and Control Systems
>>
Information Bus
>>
Testing and Inspection
>>
Component Tests and General Diagnostics
>>
Suspension Control ECU Communication Stop Mode
Suspension Control ECU Communication Stop Mode
SUSPENSION CONTROL ECU COMMUNICATION STOP MODE
Detection Item:
MODE DESCRIPTION
NOTE:
This is not applicable to a vehicle without an air suspension system.
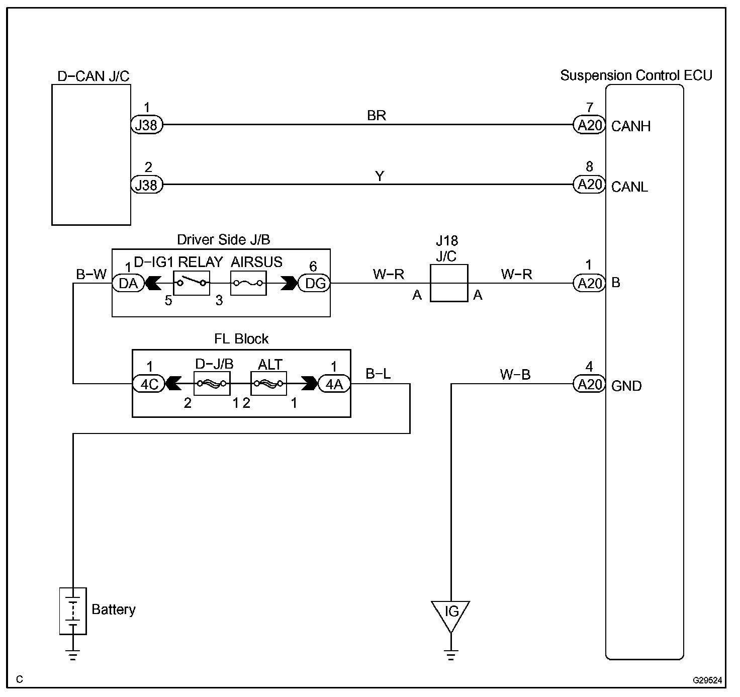
Wiring Diagram:
Step 1-2:
INSPECTION PROCEDURE