Curiosii for ever!
: Car repair manuals for everyone.
Home
>>
Lexus
>>
2006
>>
LS 430 V8-4.3L (3UZ-FE)
>>
Repair and Diagnosis
>>
Powertrain Management
>>
Computers and Control Systems
>>
Information Bus
>>
Testing and Inspection
>>
Component Tests and General Diagnostics
>>
Skid Control ECU Communication Stop Mode
Skid Control ECU Communication Stop Mode
SKID CONTROL ECU COMMUNICATION STOP MODE
Detection Item:
MODE DESCRIPTION
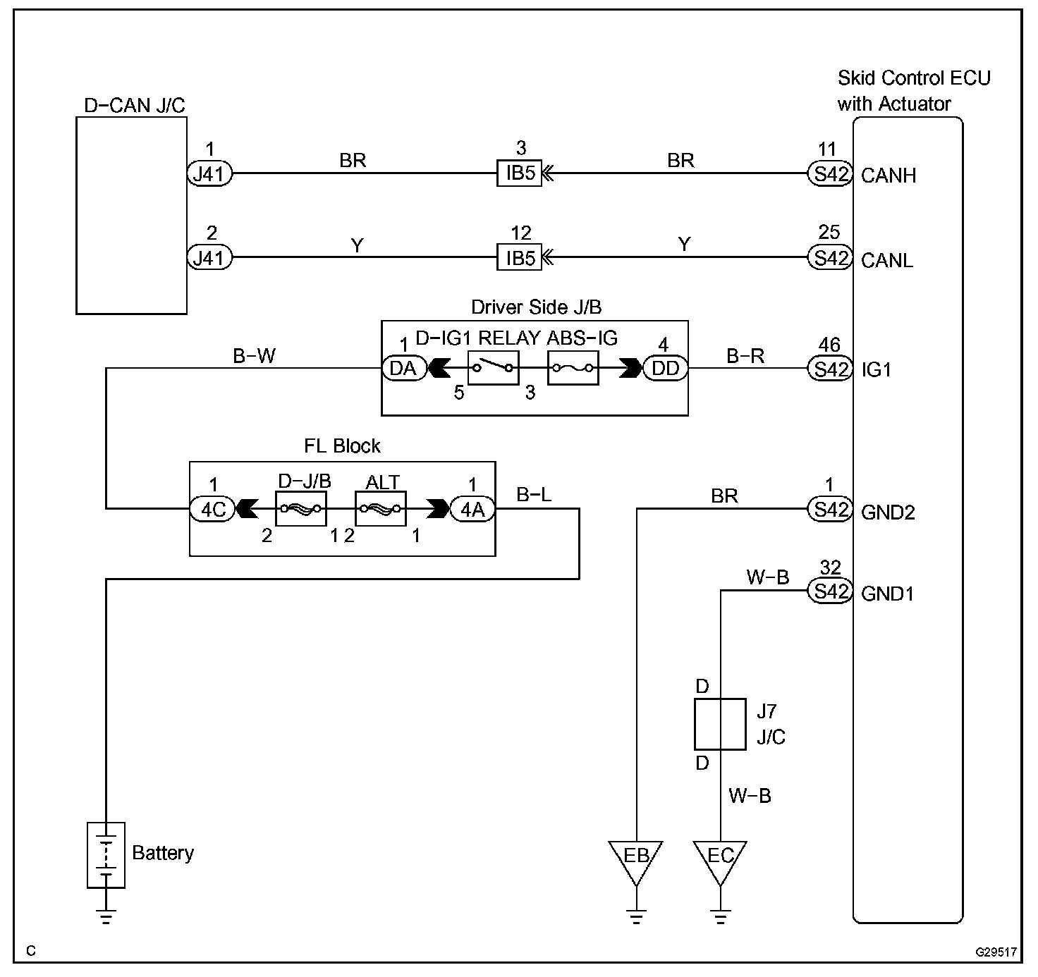
Wiring Diagram:
Step 1-2:
INSPECTION PROCEDURE