Curiosii for ever!: Car repair manuals for everyone.

Check CAN Main Bus Line For Disconnection (W/O Lexus Navigation System)

CHECK CAN MAIN BUS LINE FOR DISCONNECTION (w/o LEXUS Navigation System)

CIRCUIT DESCRIPTION




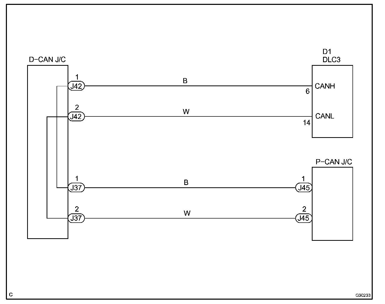
There may be an open circuit in the CAN main bus line and/or the DLC3 sub bus line when the resistance between terminals 6 (CANH) and 14 (CANL) of the DLC3 is 69 Ohms or more.

Wiring Diagram:






Step 1-2:




Step 3-4:




INSPECTION PROCEDURE