Curiosii for ever!: Car repair manuals for everyone.

Check CAN Main Bus Line For Disconnection (W/ Lexus Navigation System)

CHECK CAN MAIN BUS LINE FOR DISCONNECTION (w/ LEXUS Navigation System)

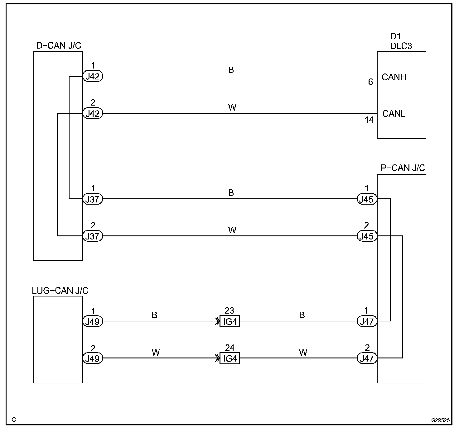
CIRCUIT DESCRIPTION




There may be an open circuit in the CAN main bus line and/or the DLC3 sub bus line when the resistance between terminals 6 (CANH) and 14 (CANL) of the DLC3 is 69 Ohms or more.

Wiring Diagram:






Step 1-2:




Step 3-6:




Step 7-8:




INSPECTION PROCEDURE