Curiosii for ever!: Car repair manuals for everyone.

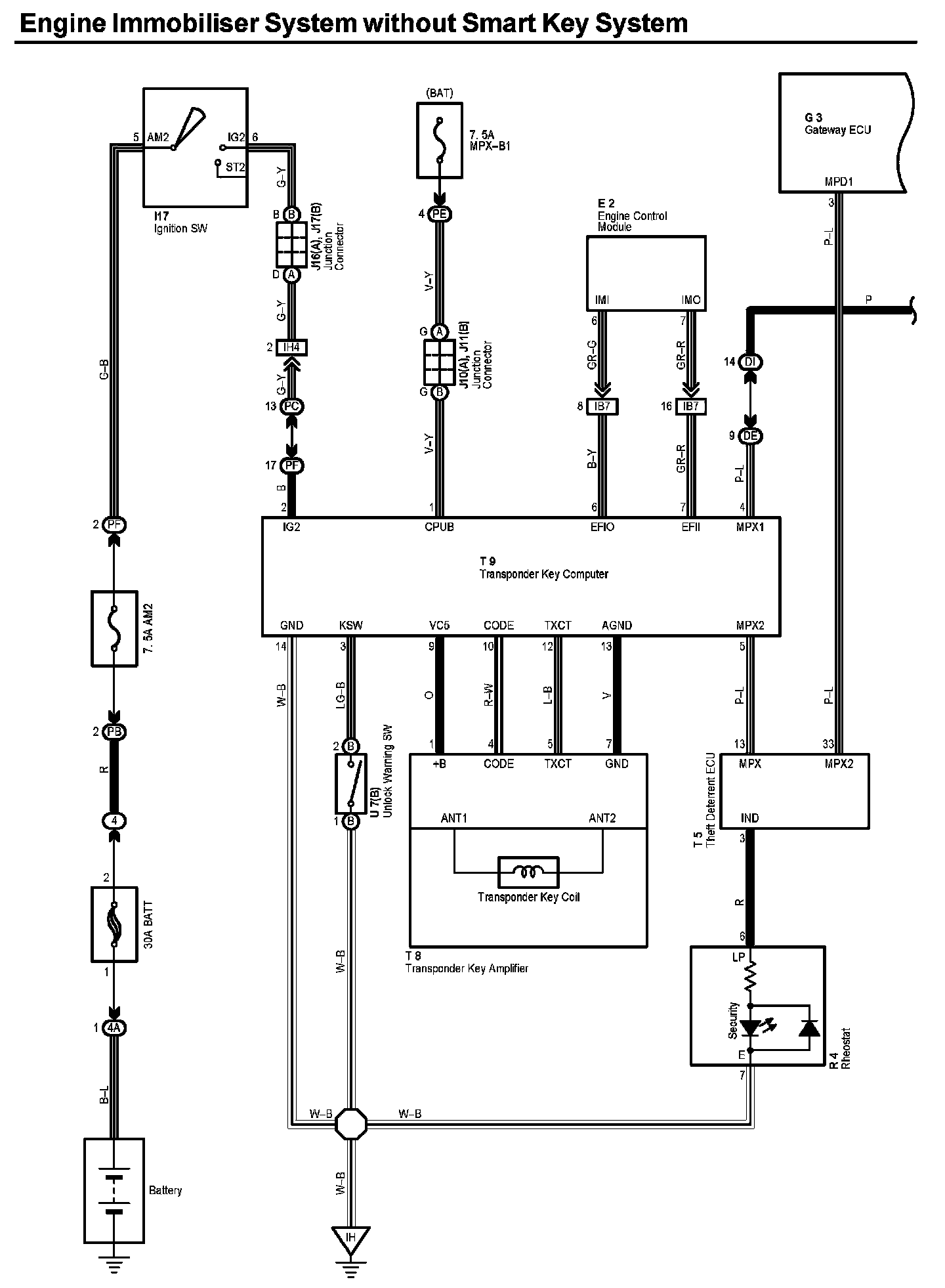
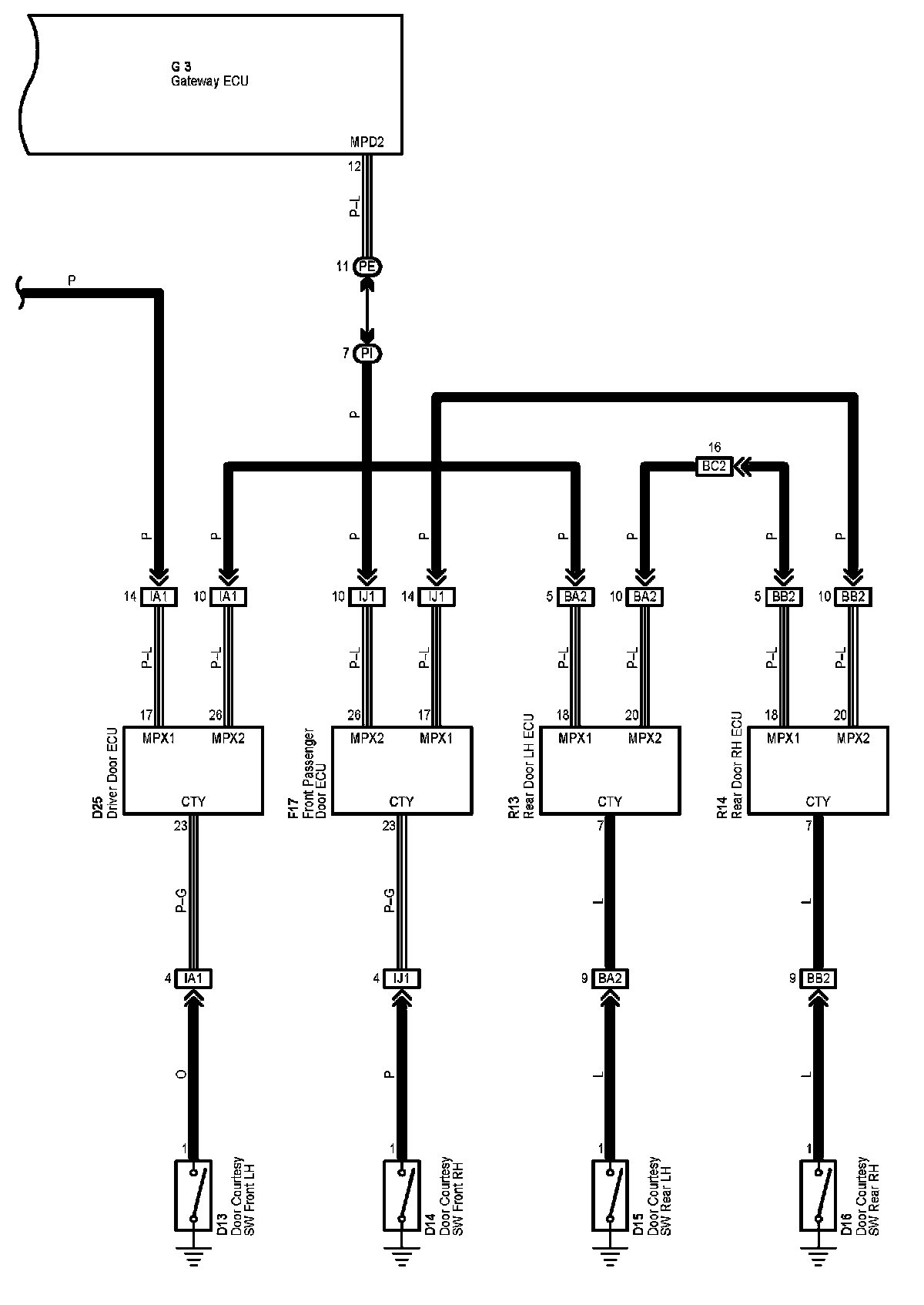
Engine Immobilizer System Without Smart Key System

Engine Immobilizer System Without Smart Key System (Part 1):




Engine Immobilizer System Without Smart Key System (Part 2):




Diagram Legend:






Locations: The locations of components, connectors, ground points, and splices referred to within these diagrams can be found at Vehicle Locations. Locations

Connector Views: The connector views for connectors referred to within these diagrams can be found at Vehicle level Connector Views. Connector Views