Curiosii for ever!: Car repair manuals for everyone.

Laser Sensor Power Source Circuit

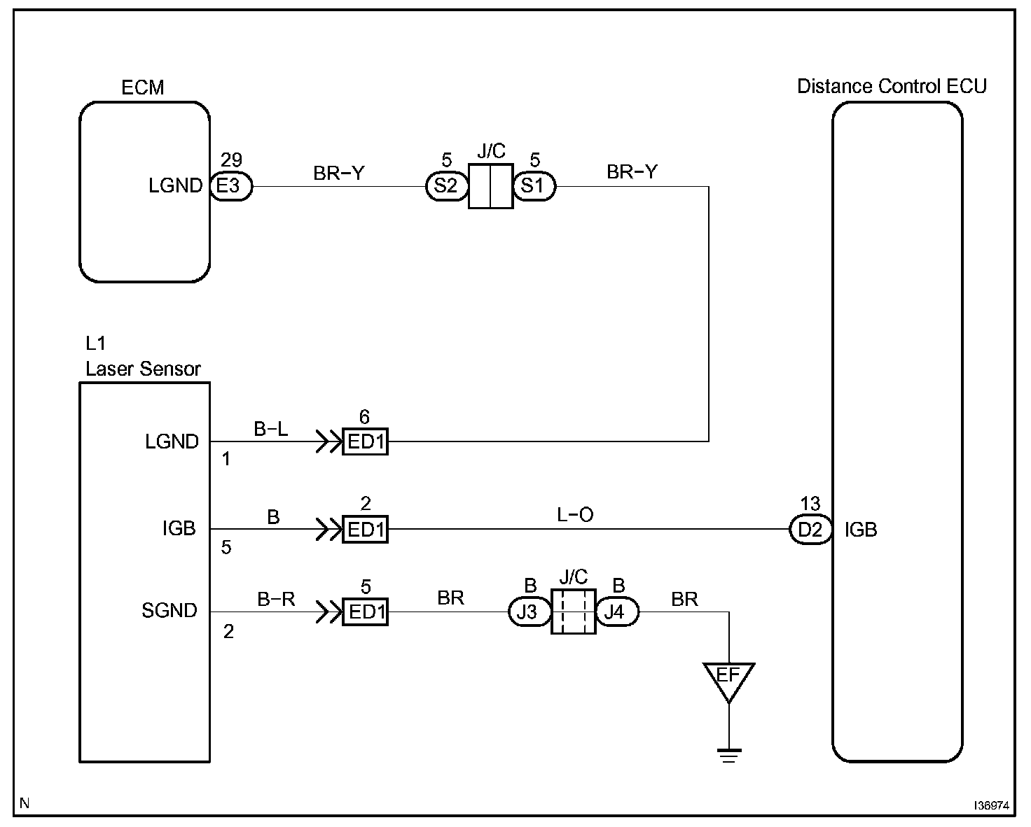
LASER SENSOR POWER SOURCE CIRCUIT

CIRCUIT DESCRIPTION

This circuit provides power to operate the laser sensor.
The laser sensor emits laser beams towards an object in front and measures the distance and direction of the object by receiving the beam reflections. Based on the reflections, the sensor calculates the difference in speed between your own vehicle and an object in front. This data is transmitted to the cruise control ECU (distance control ECU).

HINT: The laser sensor monitors the laser emission and reception by itself. This DTC is detected when it cannot monitor.

When rain drops or snowflakes strike the laser sensor face, the distance between the vehicle in front and your own vehicle cannot be measured correctly.

The dynamic laser cruise control system functions by detecting the reflector of the vehicle directly in front. In the following cases, the system may not be able to detect the vehicle in front and may not properly maintain the correct vehicle-to-vehicle distance.
- The vehicle in front is a tall trailer.
- The back of the vehicle in front is extremely dirty.
- Emissions from the vehicle in front or from other lanes are heavy.
- The vehicle in front has no reflector.
- The laser sensor is receiving a strong flash of light (sunlight, etc.).

Wiring Diagram:






Step 1-2:




Step 2(continued)-3:




INSPECTION PROCEDURE