Curiosii for ever!: Car repair manuals for everyone.

ECU Power Source Circuit

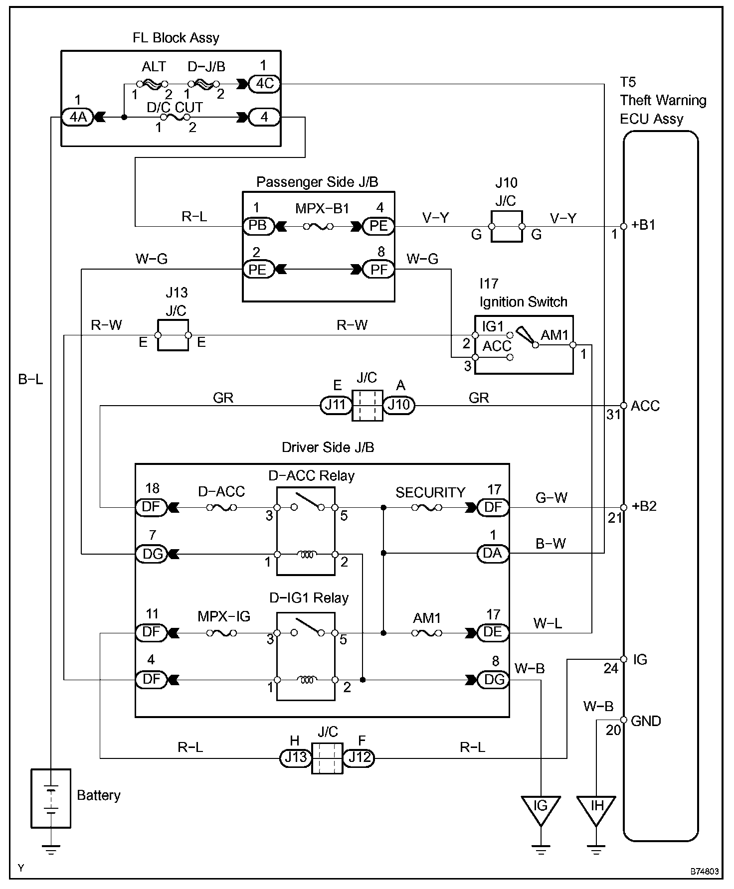
ECU POWER SOURCE CIRCUIT

CIRCUIT DESCRIPTION

This circuit supplies power to operate the theft warning ECU (theft deterrent ECU).

When the ignition switch is turned to the ACC position, battery positive voltage is applied to terminal ACC of the ECU. If the ignition switch is turned to the ON position, battery positive voltage is applied to terminals ACC and IG of the ECU. Power supplied from terminals ACC and IG of the ECU is used as power for the door courtesy switch and position switch.

Wiring Diagram:






Step 1-2:




Step 3:




INSPECTION PROCEDURE