How to Read Ground Point
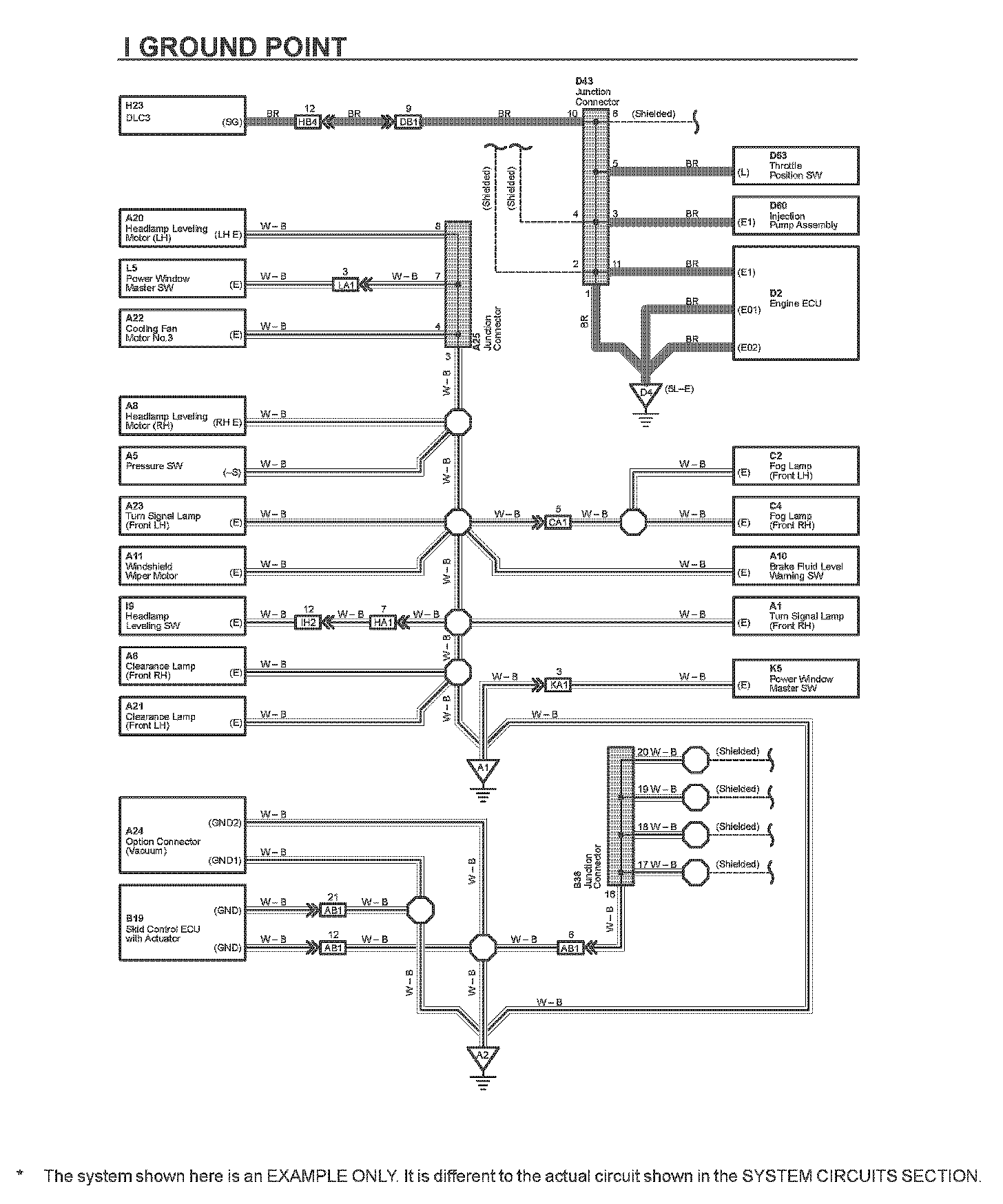
HOW TO READ GROUND POINTSThe ground points circuit diagram shows the connections from all major parts to the respective ground points. When troubleshooting a faulty ground point, checking the system circuits which use a common ground may help you identify the problem ground quickly. The relationship between ground points ( [A1] , [A2] and [D4] shown as given) can also be checked this way.