Curiosii for ever!: Car repair manuals for everyone.

Main Relay (Computer/Fuel System): Locations

Smart Access System With Push-Button Start:



SFI System:



Front Power Seat Control System(w/ Seat Position Memory System):



Front Power Seat Control System (w/o Seat Position Memory System):



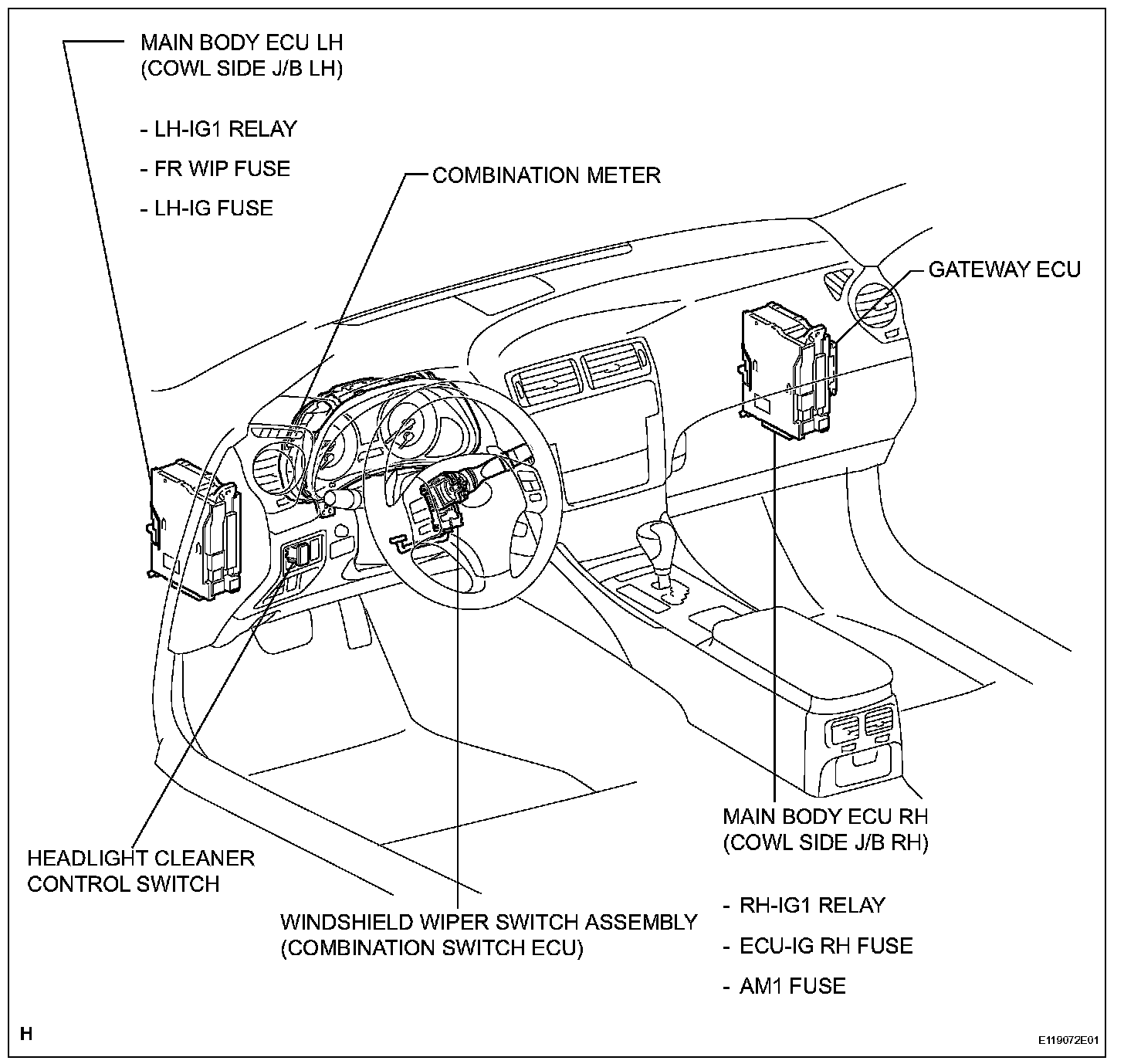
Wiper And Washer System: