Curiosii for ever!
: Car repair manuals for everyone.
Home
>>
Lexus
>>
2006
>>
IS 350 V6-3.5L (2GR-FSE)
>>
Repair and Diagnosis
>>
Diagrams
>>
Exploded Views
>>
Fuel Pump
>>
System Diagram
>>
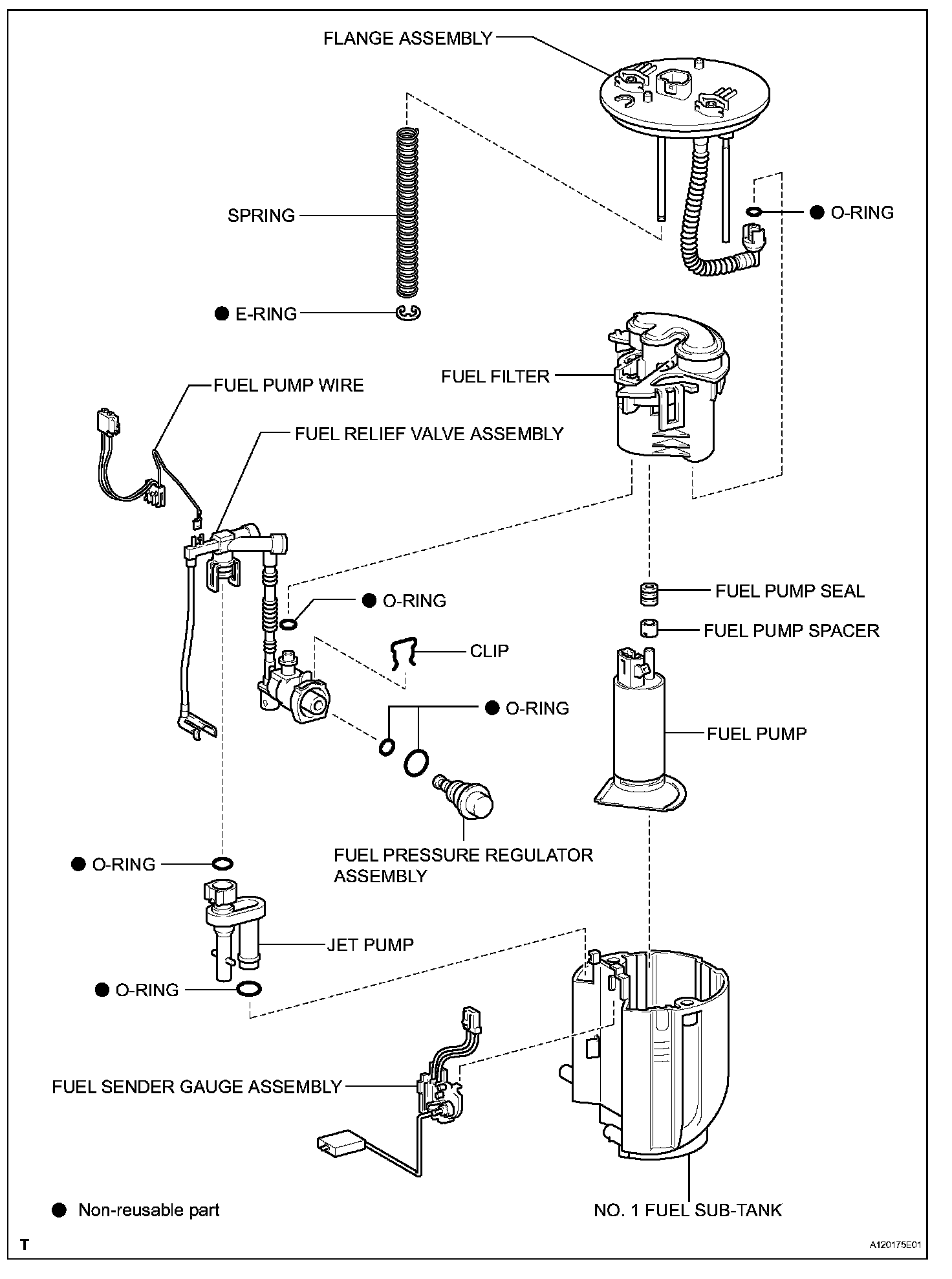
Fuel Pump Assembly
Fuel Pump Assembly
Fuel Pump:
Fuel Pump: