Curiosii for ever!
: Car repair manuals for everyone.
Home
>>
Lexus
>>
2006
>>
IS 250 RWD V6-2.5L (4GR-FSE)
>>
Repair and Diagnosis
>>
Powertrain Management
>>
Computers and Control Systems
>>
Description and Operation
Computers and Control Systems: Description and Operation
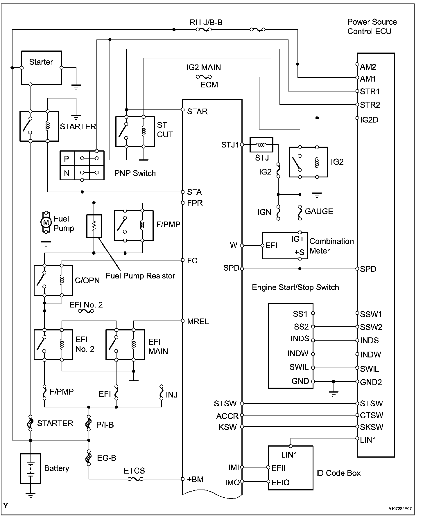
System Diagram (Part 1):
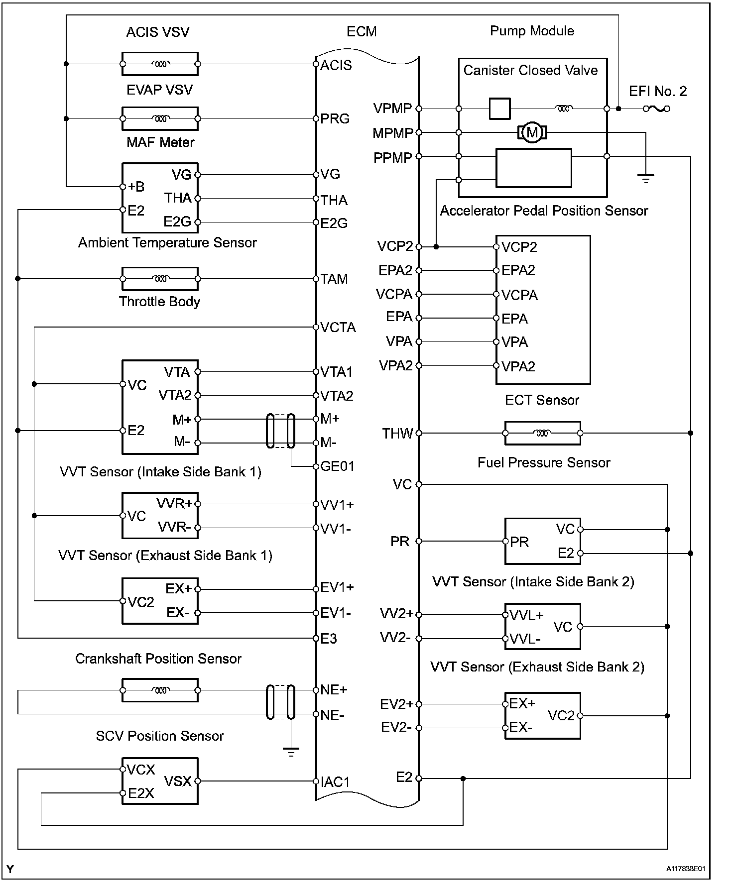
System Diagram (Part 2):
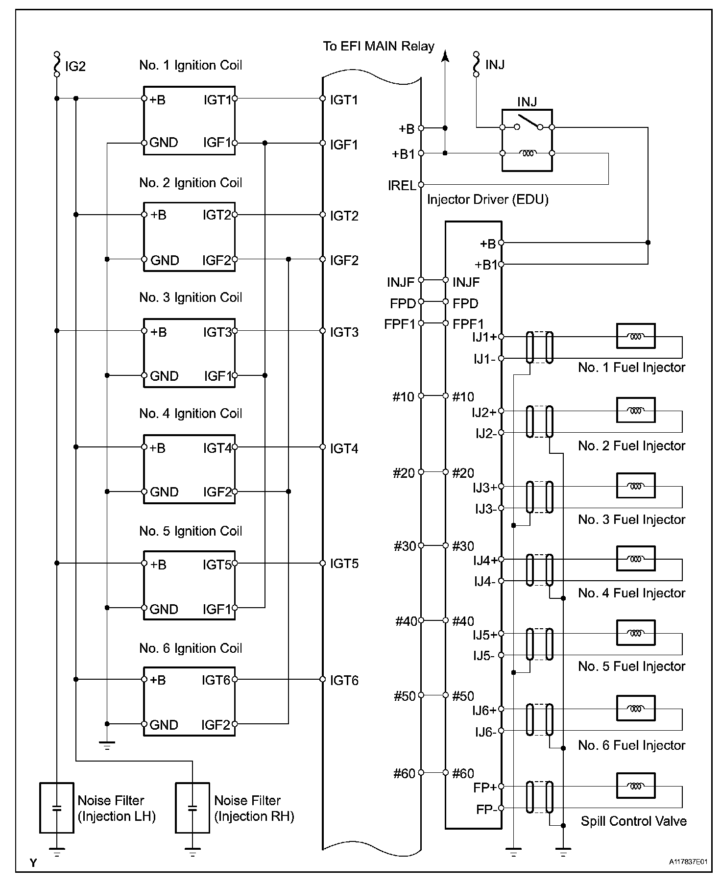
System Diagram (Part 3):
System Diagram (Part 4):
System Diagram (Part 5):