Curiosii for ever!: Car repair manuals for everyone.

Cruise Control Switch Circuit

Cruise Control Switch Circuit

DESCRIPTION
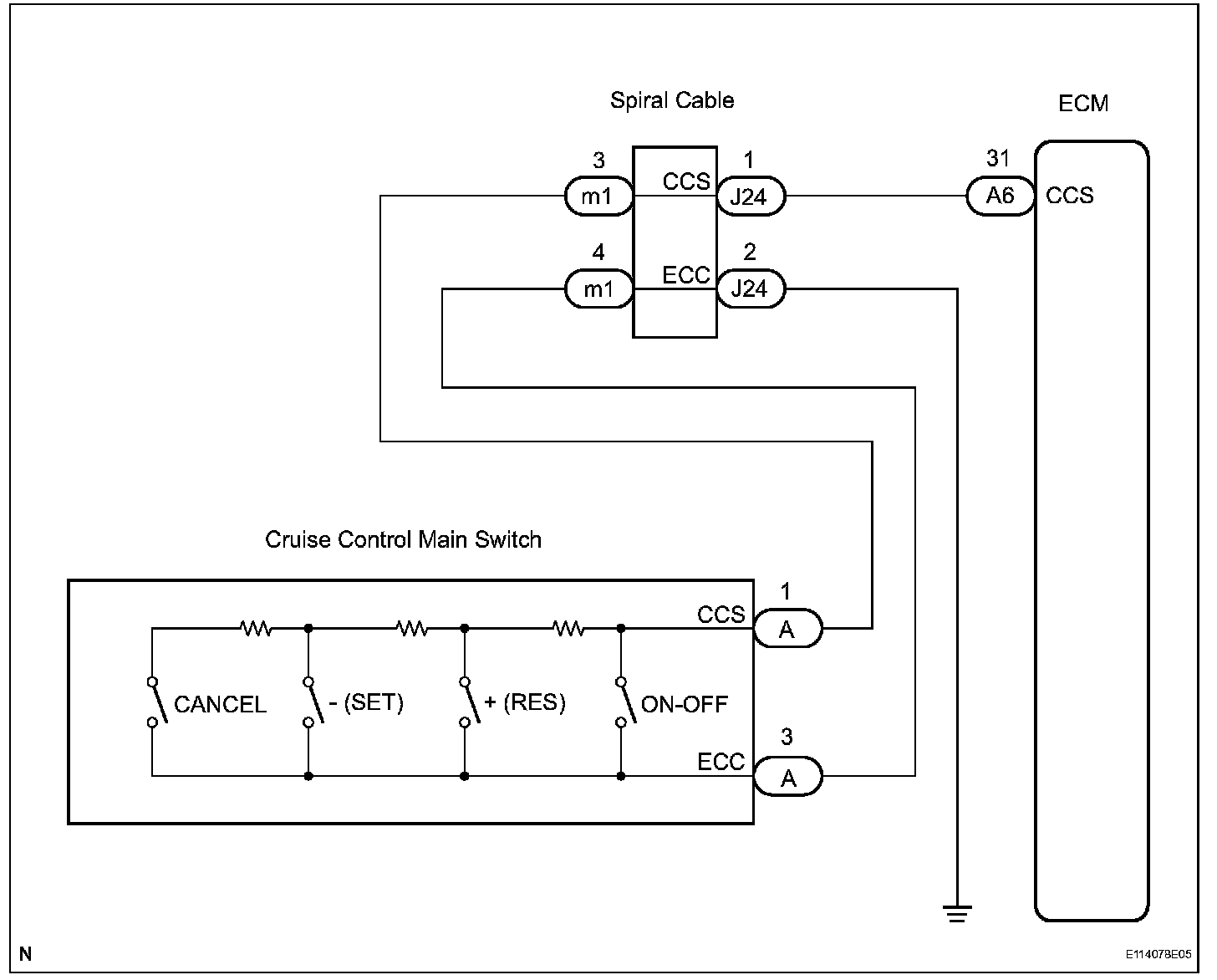
The cruise control main switch operates 7 functions: SET, - (COAST), TAP-DOWN, RES (RESUME), + (ACCEL), TAP-UP, and CANCEL. The SET, TAP-DOWN, and - (COAST) functions, and the RES (RESUME), TAP-UP, and + (ACCEL) functions are operated with the same switch. The cruise control main switch is an automatic return type switch which turns on only while operating it in the direction of each arrow and turns off after releasing it. The internal contact point of the cruise control main switch is turned on with the switch operation. Then the ECM reads the voltage value that has been changed by the switch operation to control SET, - (COAST), RES (RESUME), + (ACCEL), and CANCEL.

Wiring Diagram:






Step 1-2:




Step 2(continued):




Step 3:




Step 4:




Step 5:




INSPECTION PROCEDURE