Curiosii for ever!
: Car repair manuals for everyone.
Home
>>
Lexus
>>
2006
>>
IS 250 AWD V6-2.5L (4GR-FSE)
>>
Repair and Diagnosis
>>
Powertrain Management
>>
Emission Control Systems
>>
Description and Operation
Emission Control Systems: Description and Operation
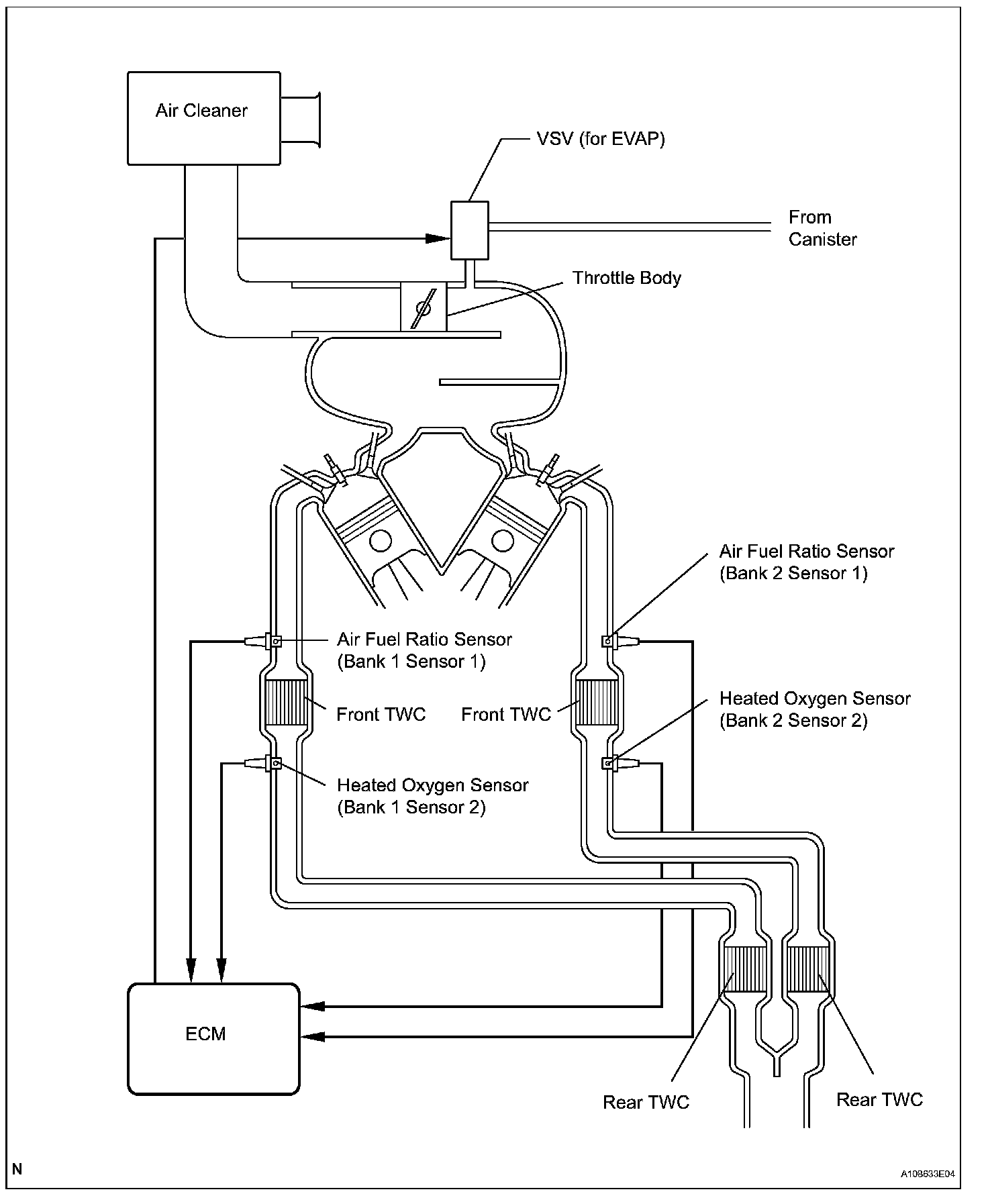
Emission Control System Diagram:
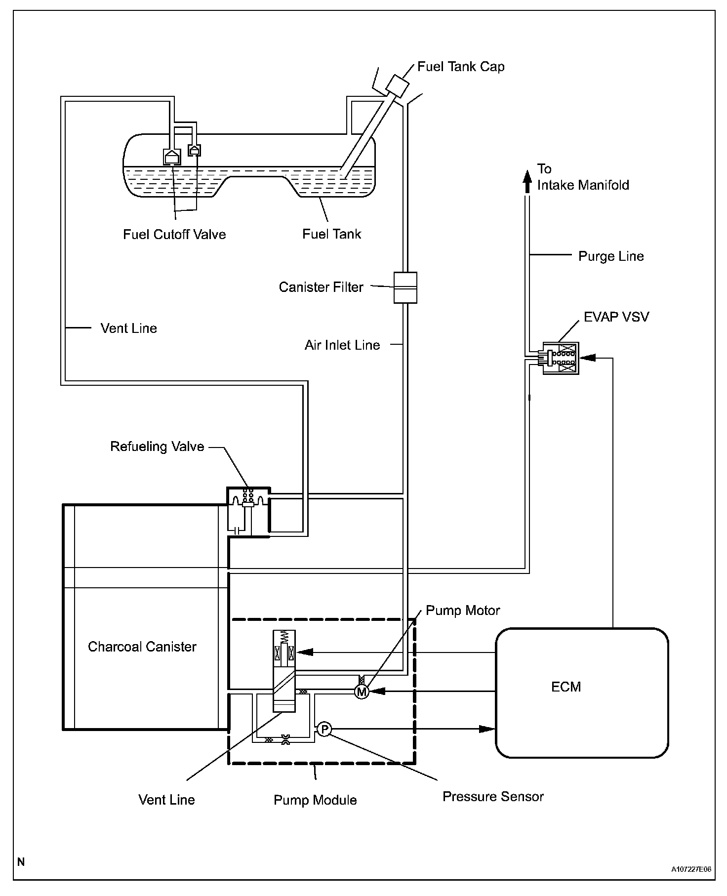
EVAP Control System Diagram:
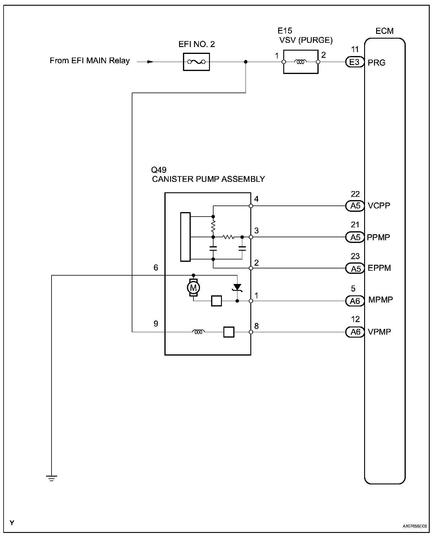
EVAP System Wiring Diagram:
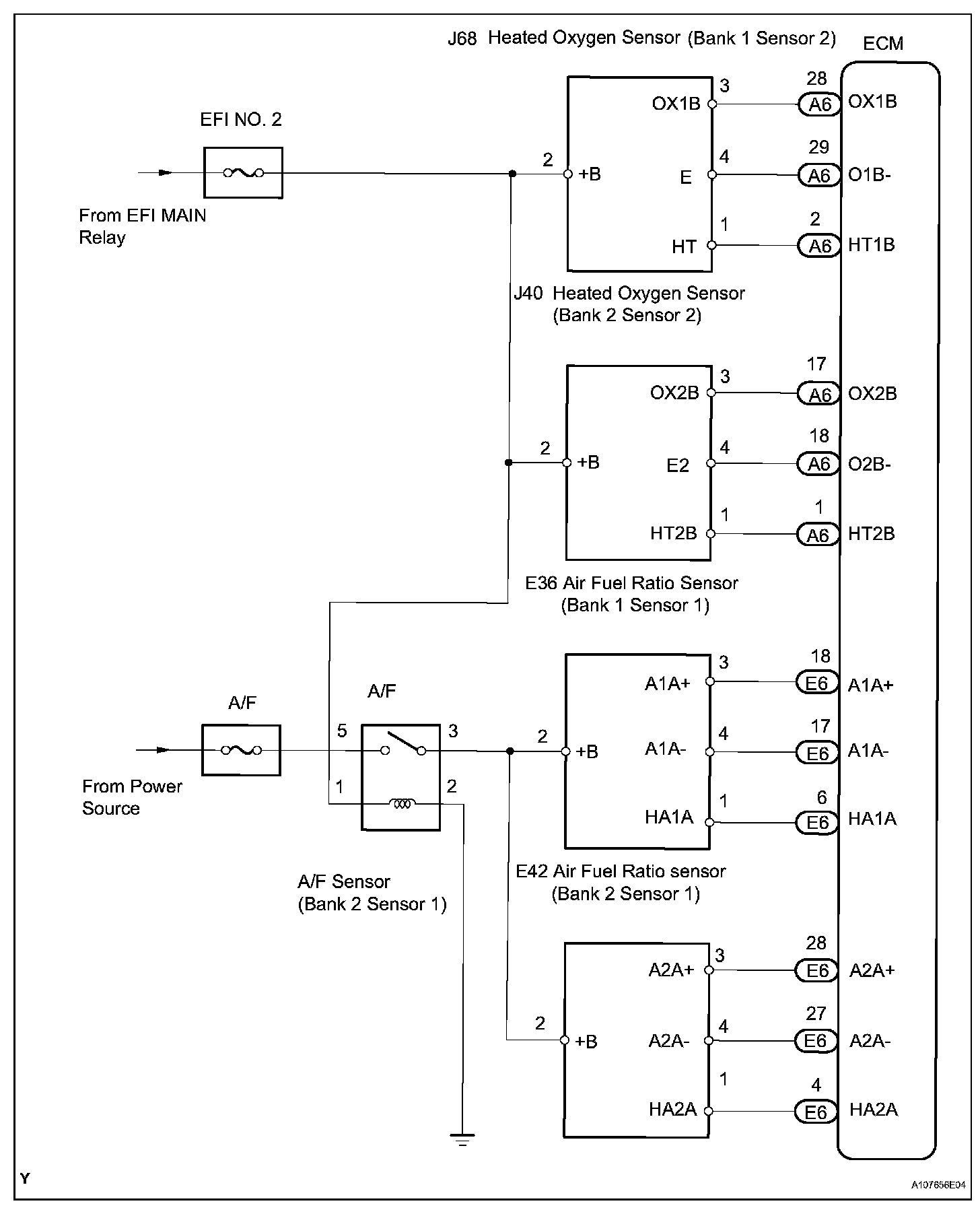
Emission Control System Wiring Diagram: