Curiosii for ever!: Car repair manuals for everyone.

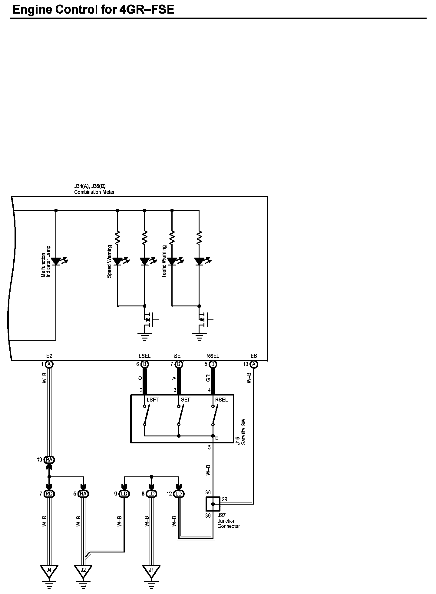
Engine Control Part 17

Engine Control (Part 17):




Diagram Legend:






Previous Diagram Engine Control Part 16

Locations: The locations of components, connectors, ground points, and splices referred to within these diagrams can be found at Vehicle Locations. Locations

Connector Views: The connector views for connectors referred to within these diagrams can be found at Vehicle level Connector Views. Connector Views