Curiosii for ever!: Car repair manuals for everyone.

CAN Bus Line

CAN Bus Line

DESCRIPTION
When any DTC for the CAN communication system is output, first measure the resistance between the terminals of the DLC3 to specify the trouble area, and check that there is no short in the CAN main bus line, between the CAN bus lines, to +B, or to GND.

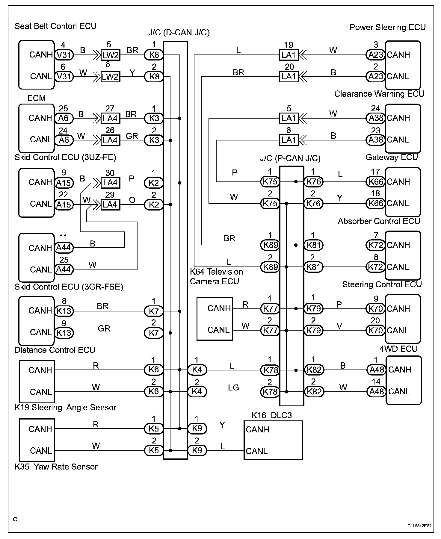
Wiring Diagram:






Step 1-3:




Step 3(continued):




INSPECTION PROCEDURE