Curiosii for ever!: Car repair manuals for everyone.

Component Tests and General Diagnostics

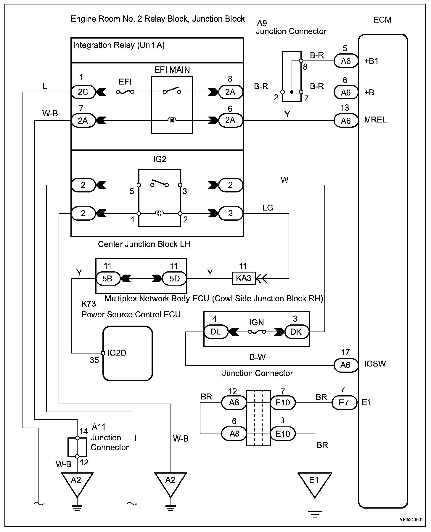
ECM Power Source Circuit

DESCRIPTION

When the engine switch is turned on (IG), the battery voltage is applied to terminal IGSW of the ECM. The ECM MREL output signal causes a current to flow to the coil, closing the contacts of the EFI relay and supplying power to terminal +B of the ECM.

If the engine switch is turned off, the ECM holds the EFI relay ON for a maximum of 2 seconds to allow for the initial setting of the throttle valve.

When the engine switch is turned on (IG), voltage from the ECM's MREL terminal flows to the integration relay (EFI MAIN relay). This causes the contacts of the integration relay (EFI MAIN relay) to close, which supplies power to terminal +B or +B1 of the ECM.

Wiring Diagram:




Wiring Diagram:






Step 1-2:




Step 2(Continued)-4:




Step 5-6:




Step 7-8:




Step 9:




INSPECTION PROCEDURE