Curiosii for ever!
: Car repair manuals for everyone.
Home
>>
Lexus
>>
2006
>>
GS 430 V8-4.3L (3UZ-FE)
>>
Repair and Diagnosis
>>
Diagrams
>>
Exploded Views
>>
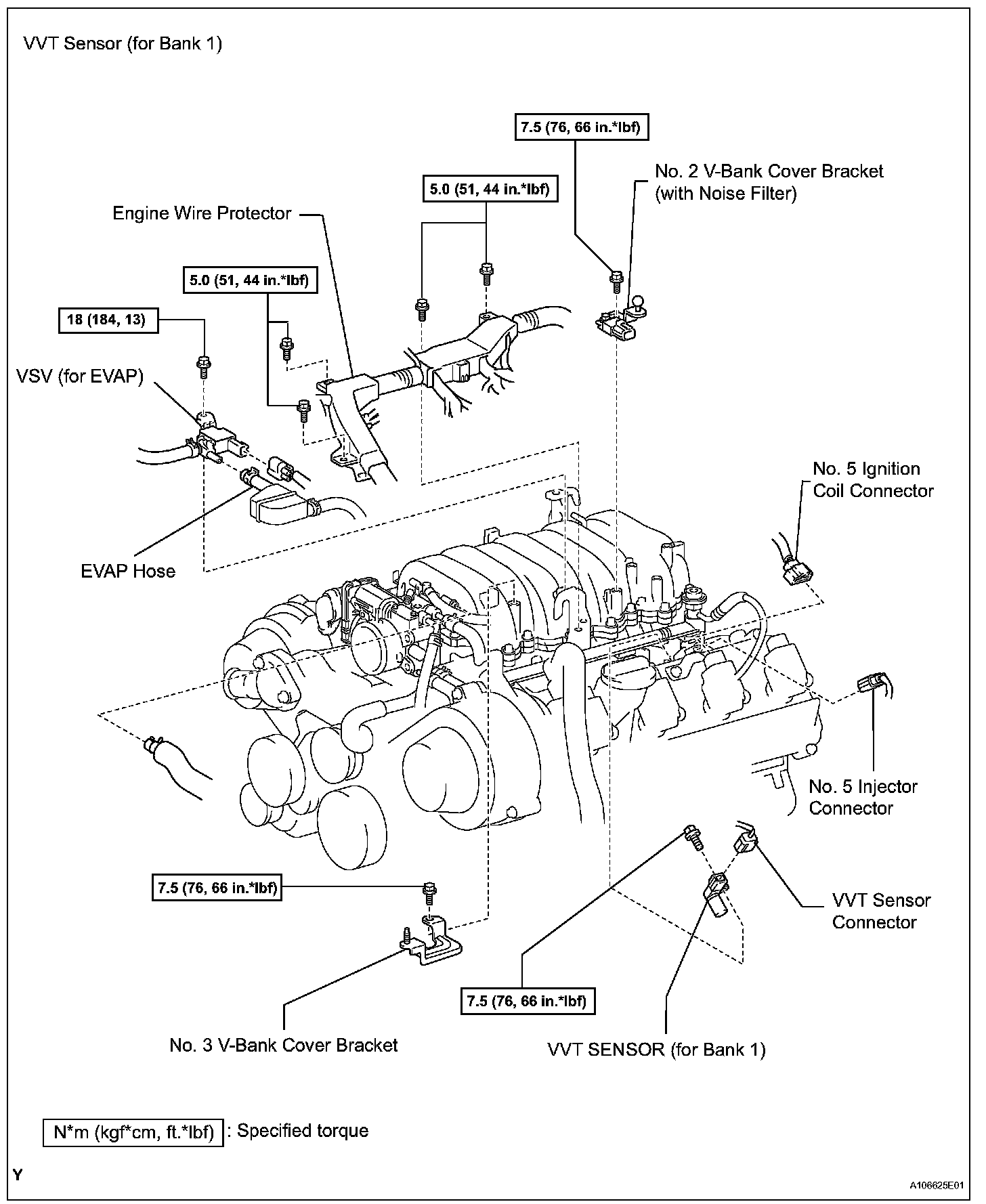
Variable Valve Timing Actuator Position Sensor
Variable Valve Timing Actuator Position Sensor
VVT Sensor:
VVT Sensor:
VVT Sensor: