Curiosii for ever!: Car repair manuals for everyone.

Only Wireless Control Function Is Inoperative

Only Wireless Control Function is Inoperative

SYSTEM DESCRIPTION
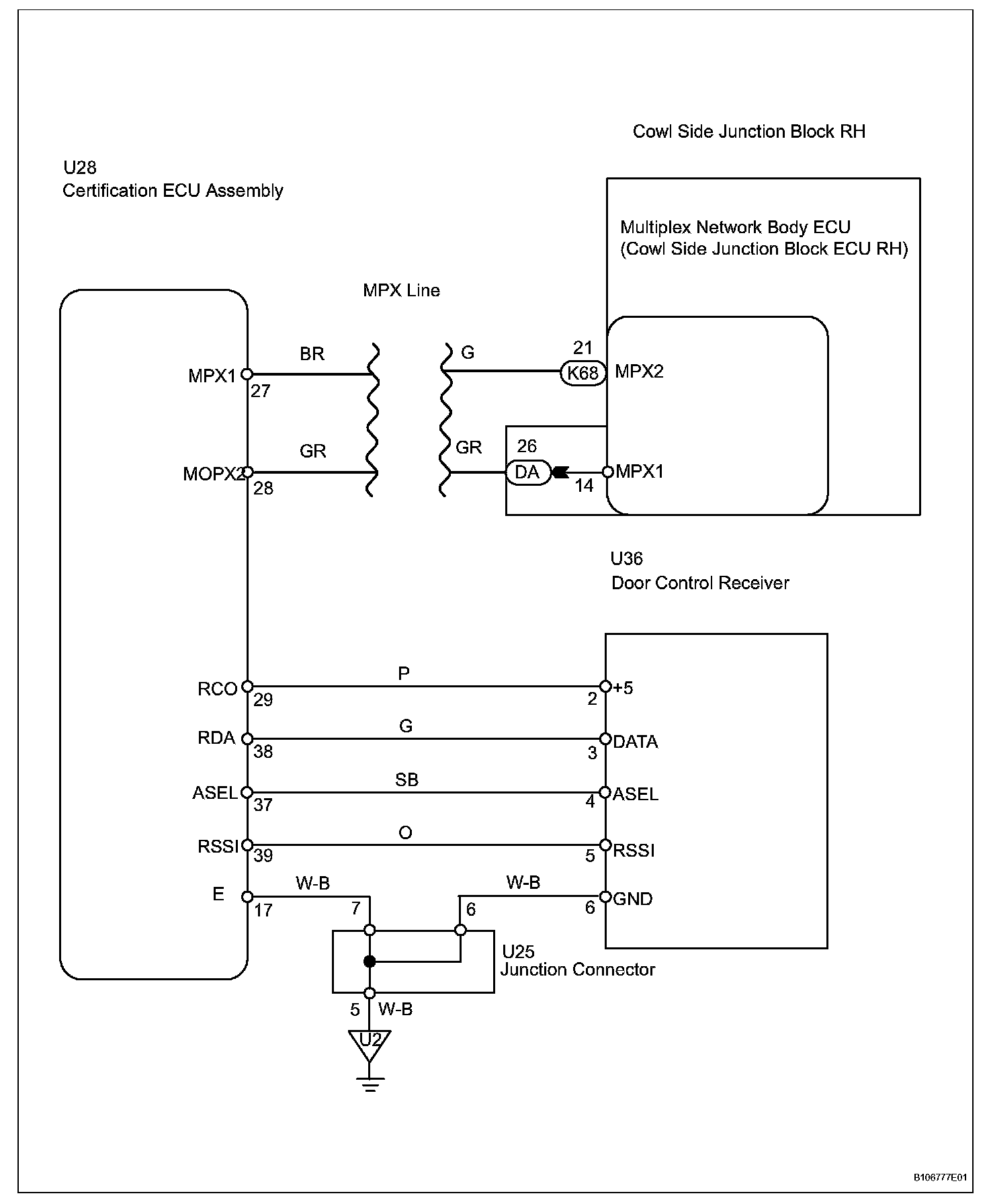
The door control receiver receives a signal from the transmitter and send signals to the multiplex network body ECU through the certification ECU assembly. The multiplex network body ECU then controls all doors by sending LOCK/UNLOCK signals to each door ECU, hazard flasher relay operation signals to the turn signals flasher relay (hazard warning lights) and wireless door lock buzzer sound signals to the wireless door lock buzzer.

Wirng Diagram:






Step 1-4:




Step 4(continued)-5:




Step 6-7:




INSPECTION PROCEDURE