Curiosii for ever!: Car repair manuals for everyone.

Room Oscillator Does Not Recognize Key

Room Oscillator does not Recognize Key

DESCRIPTION
If the entry ignition function does not operate, place the key in the vehicle and check if the engine control system starts. If the engine control system starts (the immobilizer code ECU outputs a start permission to the engine control system and the engine control system starts), it can be assumed that only the entry ignition system is malfunctioning.

The certification ECU uses the indoor electrical key antenna to send a request signal to the key when: 1) the driver's door is opened and closed, or 2) the engine switch is turned from on (ACC) to off or off to on. Then, the key transmits its ID code to the entry door control receiver. The ID code, which is then sent to the certification ECU, is verified by the certification ECU and the verification result is sent to the immobilizer code ECU. Turning the engine switch from on (ACC) to off stops the engine control system.

The immobilizer code ECU and the certification ECU communicate encryption codes to each other using the multiplex communication line. When the return code from the certification ECU matches the ID code in memory, the immobilizer code ECU sends an engine control system start permission signal to the ECM. With the brake pedal depressed, pressing the engine switch starts the engine. With the engine running, pressing the engine switch stops the engine.

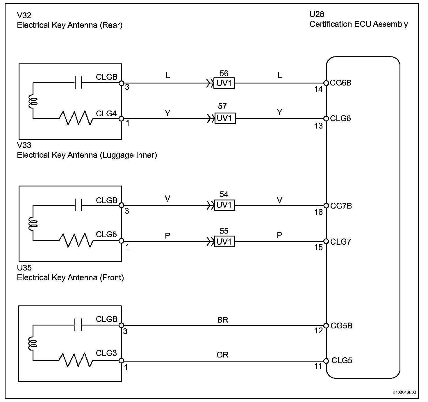
Wiring Diagram:






Step 1:




Step 2-3:




Step 4-5:




Step 5(continued):




INSPECTION PROCEDURE