Curiosii for ever!: Car repair manuals for everyone.

Driver Side Power Window Auto Up / Down Function Does Not Operate With Power Window Master Switch

Driver Side Power Window Auto Up/Down Function does not Operate with Power Window Master Switch

DESCRIPTION
If the AUTO UP/DOWN function does not operate, the cause may be one or more of the given:
- The recorded power window fully closed position, which is stored in the multiplex network master switch, was erased as a result of:
1. a fuse or relay related to the driver side power window being replaced; or
2. the battery cable and the master switch's connector being disconnected.
- The master switch has a malfunction.
- The pulse sensors in the driver side power window regulator motor have a malfunction.
- The wiring between the master switch and the driver side power window regulator motor is open or short.

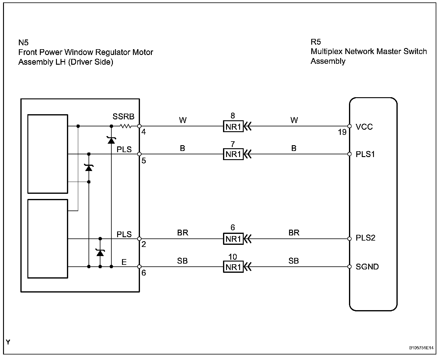
Wiring Diagram:






Step 1-2:




Step 2(Continued)-4:




Step 4(Continued):




INSPECTION PROCEDURE