Curiosii for ever!: Car repair manuals for everyone.

Open in CAN Main Bus Line

Open in CAN Main Bus Line

DESCRIPTION




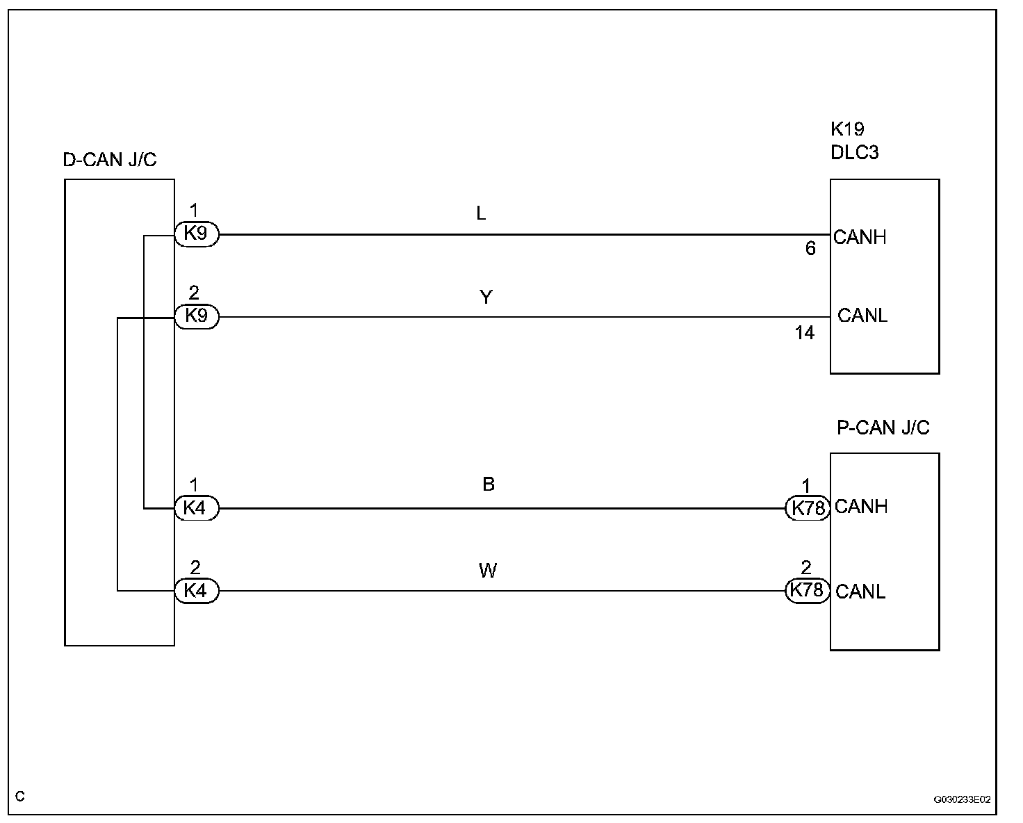
There may open circuit in the CAN main bus line and/or the DLC3 sub bus line when the resistance between terminals 6 (CANH) and 14 (CANL) of the DLC3 is 69 Ohms or more.

Wiring Diagram:






Step 1:




Step 1(continued)-3:




Step 4:




INSPECTION PROCEDURE