Curiosii for ever!: Car repair manuals for everyone.

Open In One Side of CAN Sub Bus Line

Open in One Side of CAN Sub Bus Line

DESCRIPTION




If 2 or more ECUs and/or sensors do not appear on the intelligent tester "BUS CHECK" screen via the CAN VIM , one side of the CAN sub-bus line may be open. (ONE side of the CAN-H [sub-bus line] / CAN-L [sub-bus line] of the ECU and/or sensor is open.)

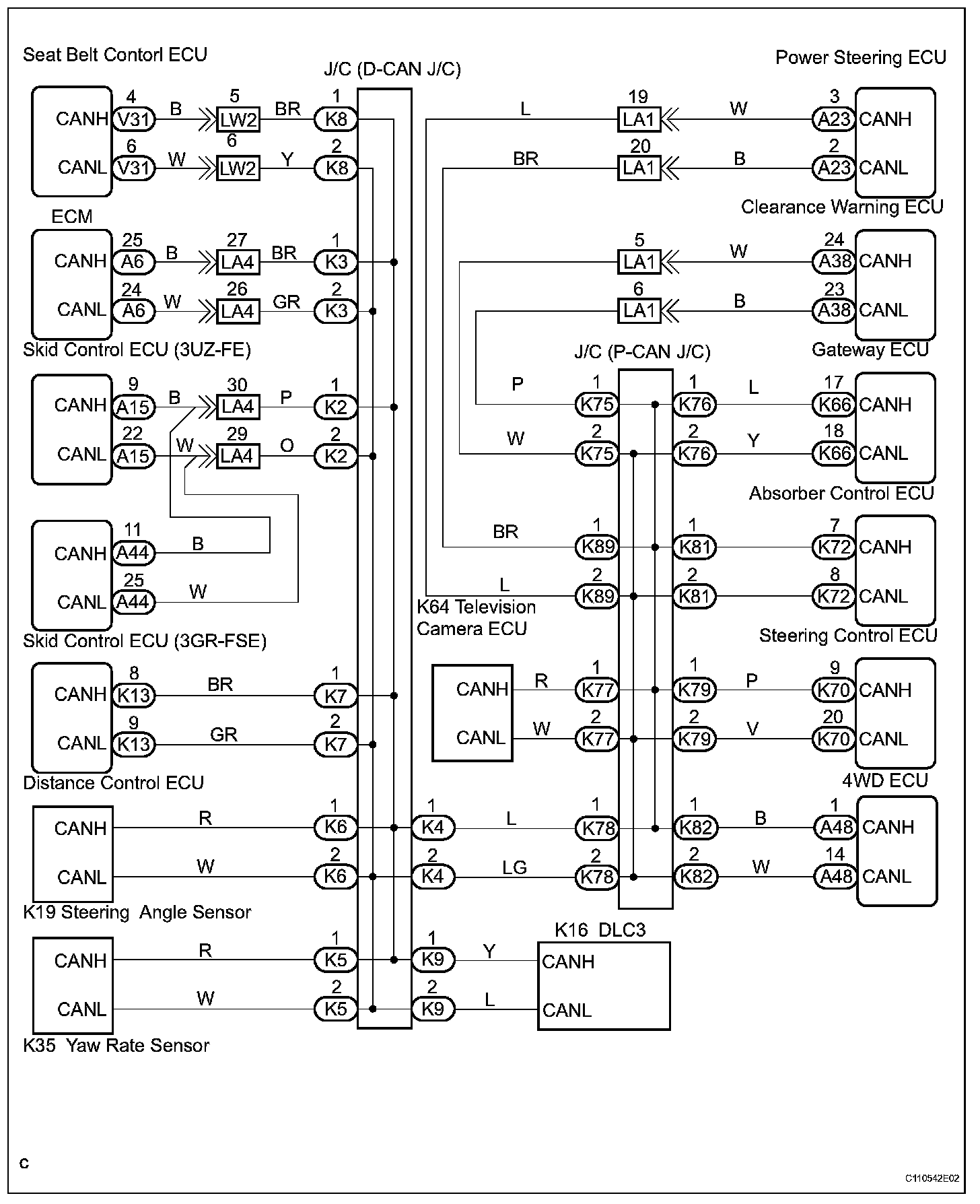
Wiring Diagram:






HINT:
- The following is the troubleshooting procedures of an open in either CANH or CANL of the ECU A (SENSOR A).
- Perform the following inspection for the ECUs (sensors) which are not displayed on the intelligent tester. If malfunction cannot be identified, then perform the following inspections for the ECUs (sensors) connected to CAN communication.

Step 1-2:




INSPECTION PROCEDURE