Curiosii for ever!
: Car repair manuals for everyone.
Home
>>
Lexus
>>
2006
>>
GS 300 AWD V6-3.0L (3GR-FSE)
>>
Repair and Diagnosis
>>
Powertrain Management
>>
Computers and Control Systems
>>
Information Bus
>>
Testing and Inspection
>>
Component Tests and General Diagnostics
>>
ECM Communication Stop Mode
ECM Communication Stop Mode
ECM Communication Stop Mode
Detection Item:
DESCRIPTION
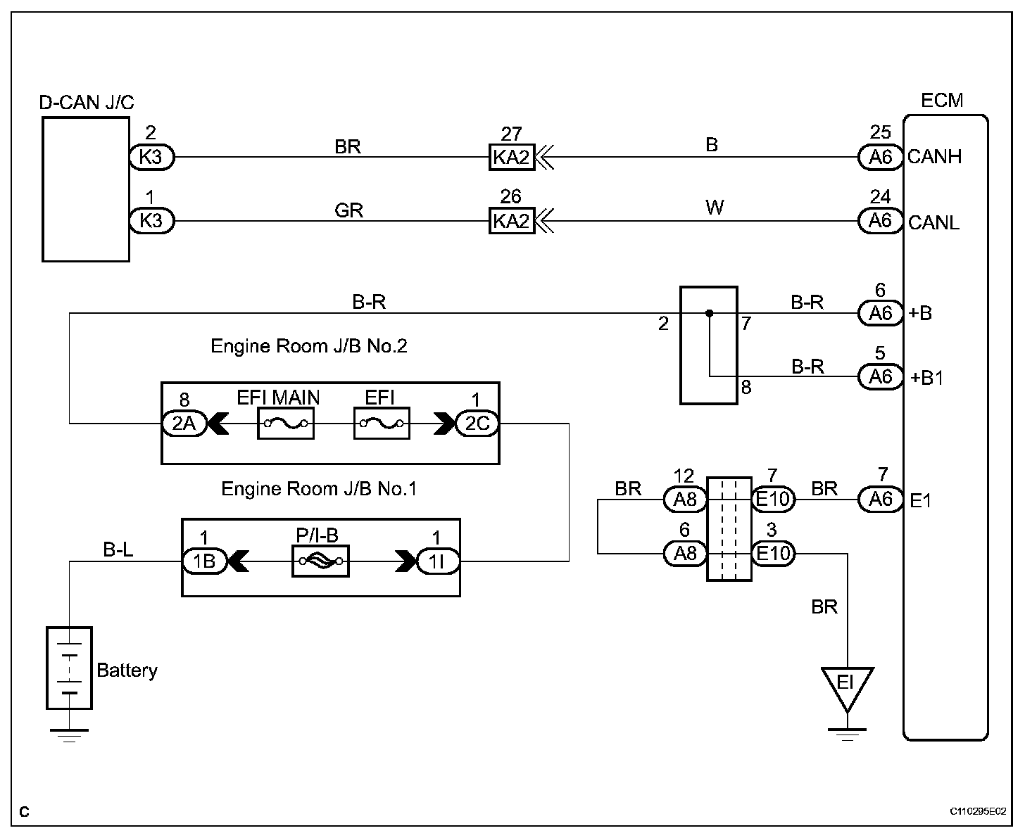
Wiring Diagram:
Step 1:
Step 1(continued)-2:
INSPECTION PROCEDURE