Curiosii for ever!: Car repair manuals for everyone.

Entry Unlock Function does not Operate on Rear Door RH

Entry Unlock Function does not Operate on Rear Door RH

DESCRIPTION
When an ID code from the door electrical key oscillator rear RH matches an ID code from the key, the multiplex network door ECU rear RH (rear door RH ECU) outputs a SEL signal (Lo when output) to the door electrical key oscillator rear RH, activates the touch sensor inside the outside door handle, and enters unlock standby mode. When the touch sensor is touched, the door electrical key oscillator rear RH sends a SENS signal (Lo when output)) to the multiplex network door ECU rear RH (rear door RH ECU) and the multiplex network door ECU rear RH (rear door RH ECU) sends an unlock signal to the rear door RH lock.

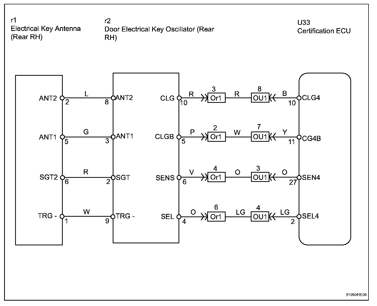
Wiring Diagram:






Step 1:




Step 1(continued)-4:




Step 4(continued)-7:




Step 8:




Step 9:




INSPECTION PROCEDURE