Curiosii for ever!: Car repair manuals for everyone.

Entry Unlock Function does not Operate on Front Passenger Side Door

Entry Unlock Function does not Operate on Front Passenger Side Door

DESCRIPTION
When an ID code from the door electrical key oscillator front RH matches an ID code from the key, the multiplex network door ECU front RH (front passenger door ECU) outputs a SEL signal (Lo when output) to the door electrical key oscillator front RH, activates the touch sensor inside the outside door handle, and enters unlock standby mode. When the touch sensor is touched, the door electrical key oscillator front RH sends a SENS signal (Lo when output) to the multiplex network door ECU front RH (front passenger door ECU) and the multiplex network door ECU front RH (front passenger door ECU) sends unlock signal to the front passenger side door lock.

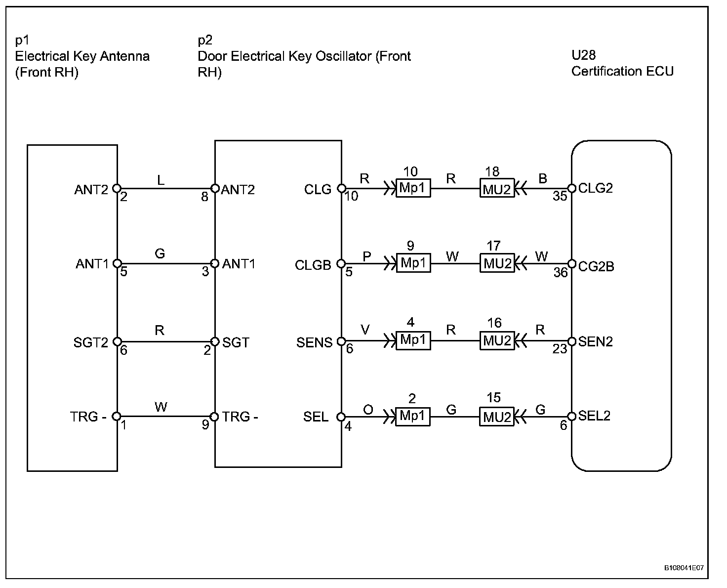
Wiring Diagram:






Step 1:




Step 1(continued)-4:




Step 4(continued)-7:




Step 8:




Step 9:




INSPECTION PROCEDURE