Curiosii for ever!
: Car repair manuals for everyone.
Home
>>
Lexus
>>
2005
>>
LS 430 V8-4.3L (3UZ-FE)
>>
Repair and Diagnosis
>>
Powertrain Management
>>
Computers and Control Systems
>>
Main Relay (Computer/Fuel System)
>>
Locations
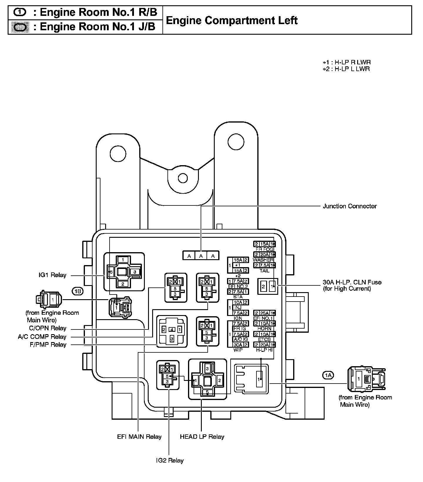
Main Relay (Computer/Fuel System): Locations
Emission Control System:
Engine Room No.1 R/B, J/B - Engine Compartment Left: