Curiosii for ever!: Car repair manuals for everyone.

Suspension Control ECU Communication Stop Mode

SUSPENSION CONTROL ECU COMMUNICATION STOP MODE

Detection Item:




MODE DESCRIPTION

NOTE: This is not applicable to a vehicle without an air suspension system.

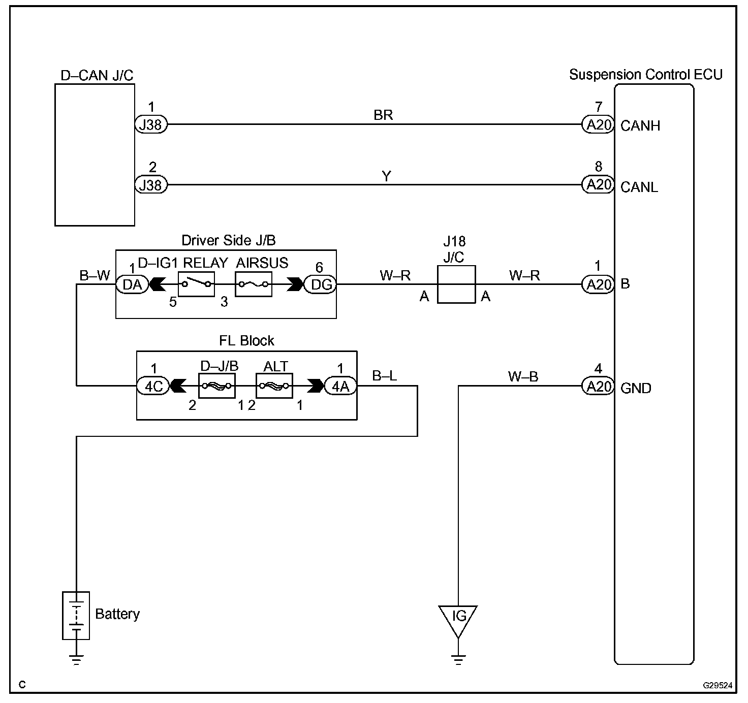
Wiring Diagram:






Step 1 - 2:




INSPECTION PROCEDURE