Curiosii for ever!
: Car repair manuals for everyone.
Home
>>
Lexus
>>
2005
>>
LS 430 V8-4.3L (3UZ-FE)
>>
Repair and Diagnosis
>>
Power and Ground Distribution
>>
Fuse Block
>>
Locations
Fuse Block: Locations
Relay Box Locations
Relay & Fuse Locations
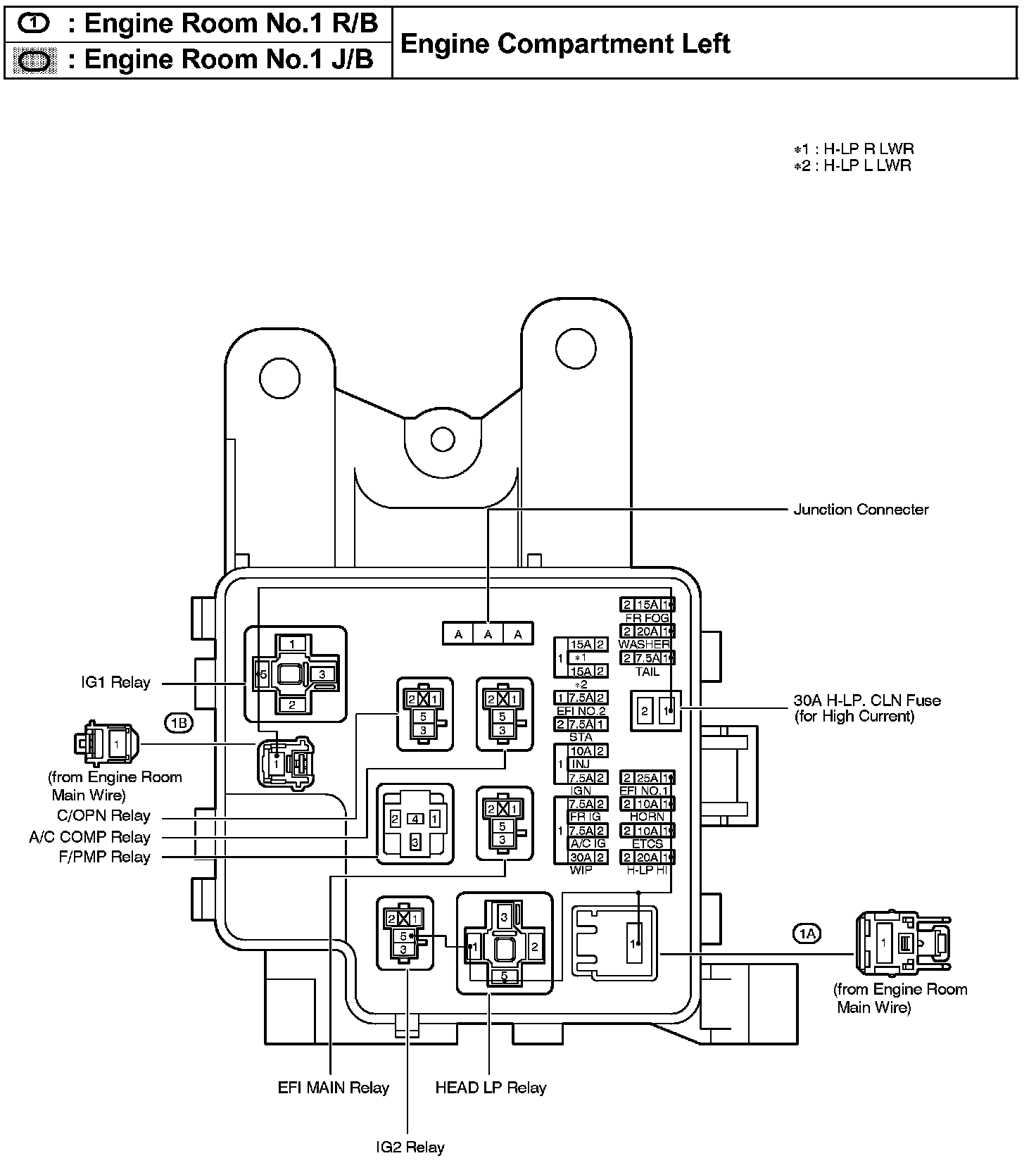
Engine Room Fuse ID
Fusible Linkl Block
Driver Side J/B Fuse ID
Passenger Side J/B Fuse ID
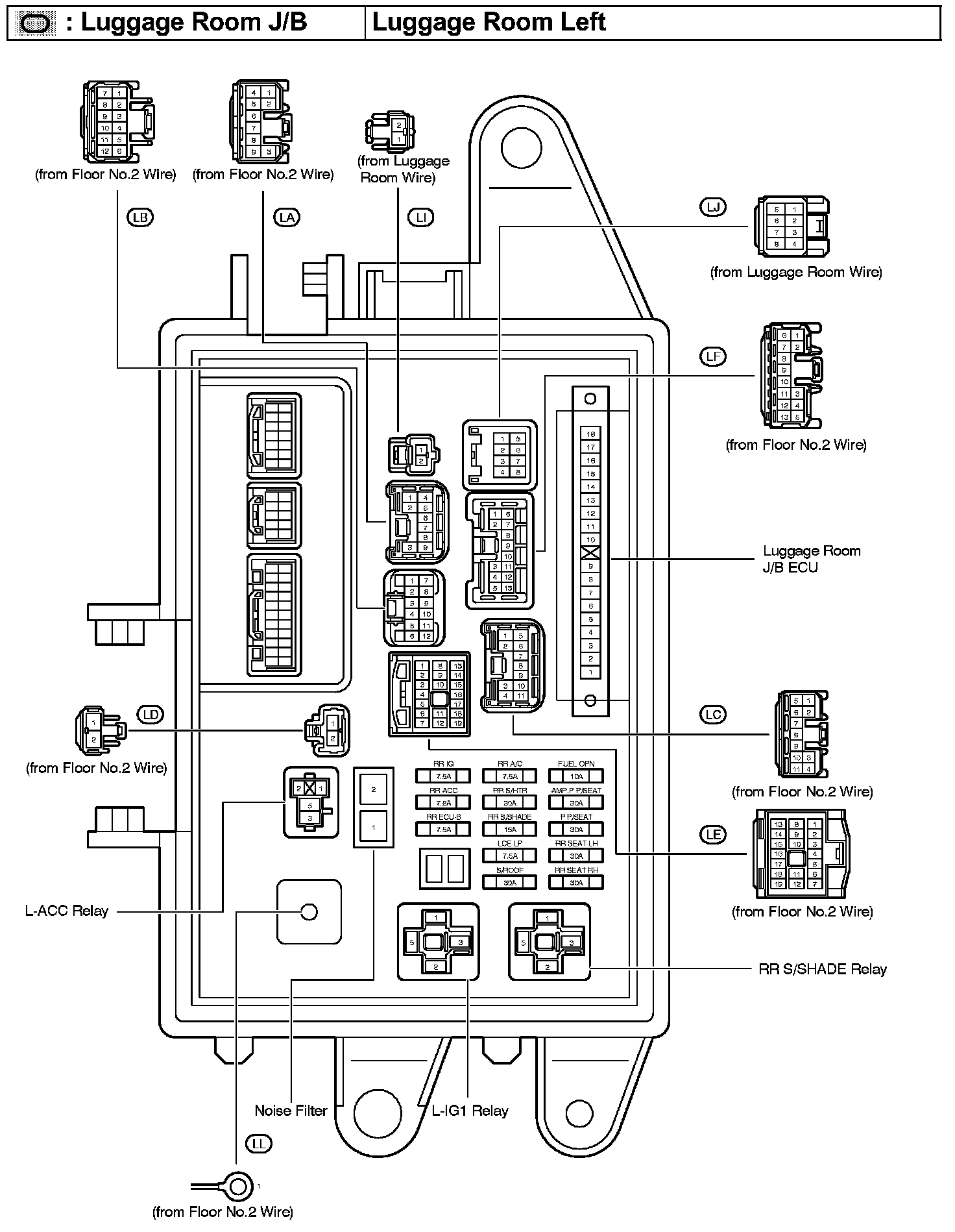
Luggage Room J/B Fuse ID