Curiosii for ever!: Car repair manuals for everyone.

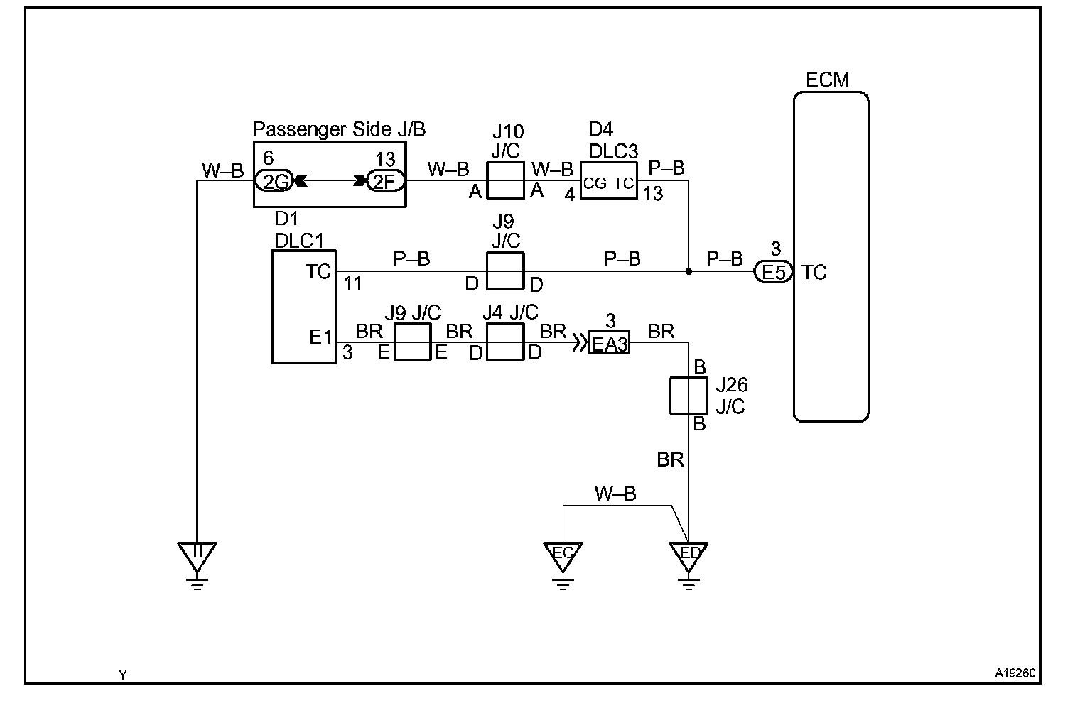
TC Terminal Circuit

TC Terminal Circuit

CIRCUIT DESCRIPTION
Terminal TC and CG are located in the DLC1. When connecting these terminals, DTCs in normal mode or test mode can be read through the MIL flashing in the combination meter.

Wiring Diagram:






INSPECTION PROCEDURE

Step 1 - 3:






HINT:
- Even though terminal TC is not connected with terminal CG, the MIL blinks.
- For the phenomenon,an open or short in the wire harness, or malfunction inside the ECM is the likely cause.