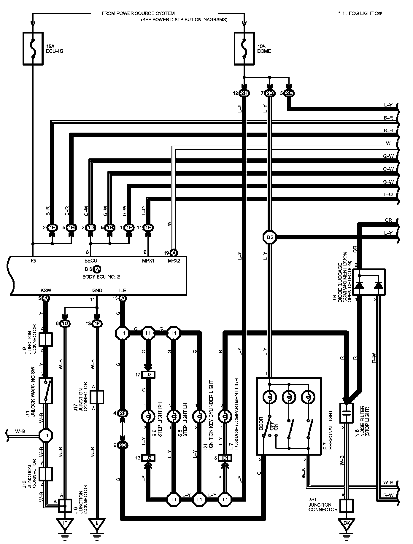
Multiplex Communication System Part 2
Multiplex Communication System Part 2:
Diagram Legend Part 1:
Diagram Legend Part 2:
Next Diagram Multiplex Communication System Part 3
Previous Diagram Multiplex Communication System Part 1
Locations: The locations of components, connectors, ground points, and splices referred to within these diagrams can be found at Vehicle Locations. Locations
Connector Views: The connector views for connectors referred to within these diagrams can be found at the Vehicle level Connector Views. Connector Views