Curiosii for ever!: Car repair manuals for everyone.

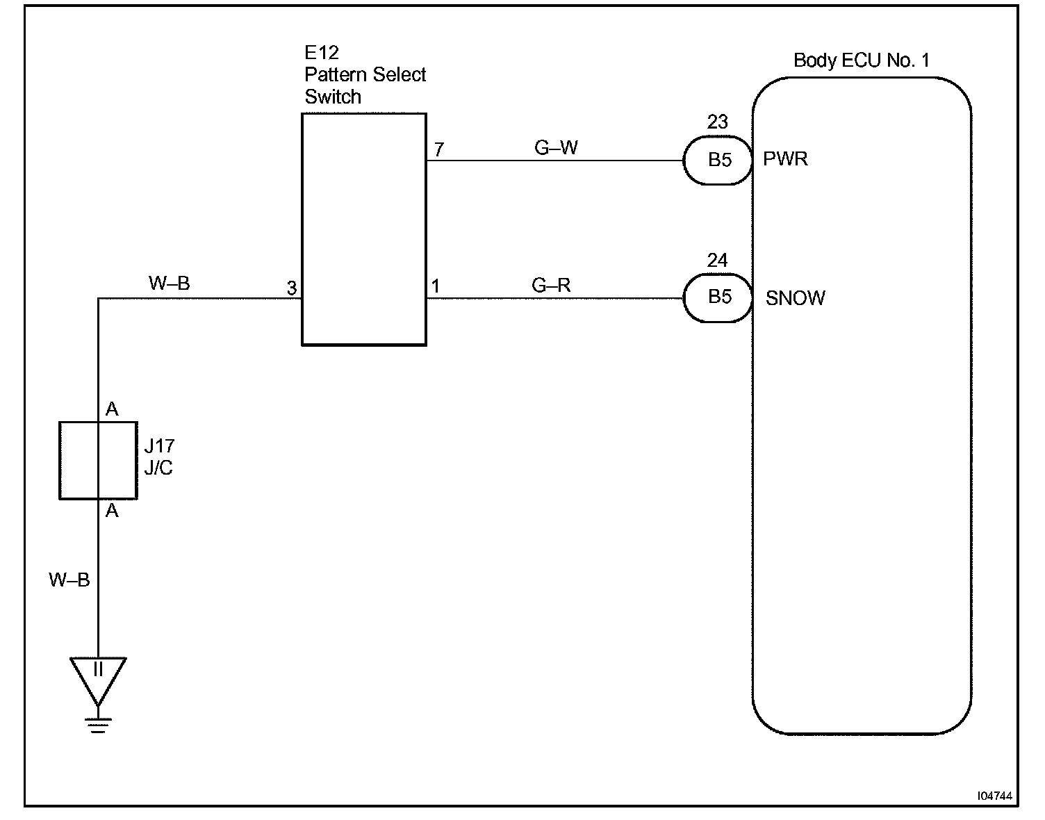
Pattern Select Switch Circuit

Pattern select switch circuit

CIRCUIT DESCRIPTION
Body ECU No. 1 detect the state of pattern select switch.

Wiring Diagram:






INSPECTION PROCEDURE

Step 1 - 3:






HINT: In case of using the hand-held tester, start the inspection from step 1 and in case of not using the hand-held tester, start from step 2.