Curiosii for ever!: Car repair manuals for everyone.

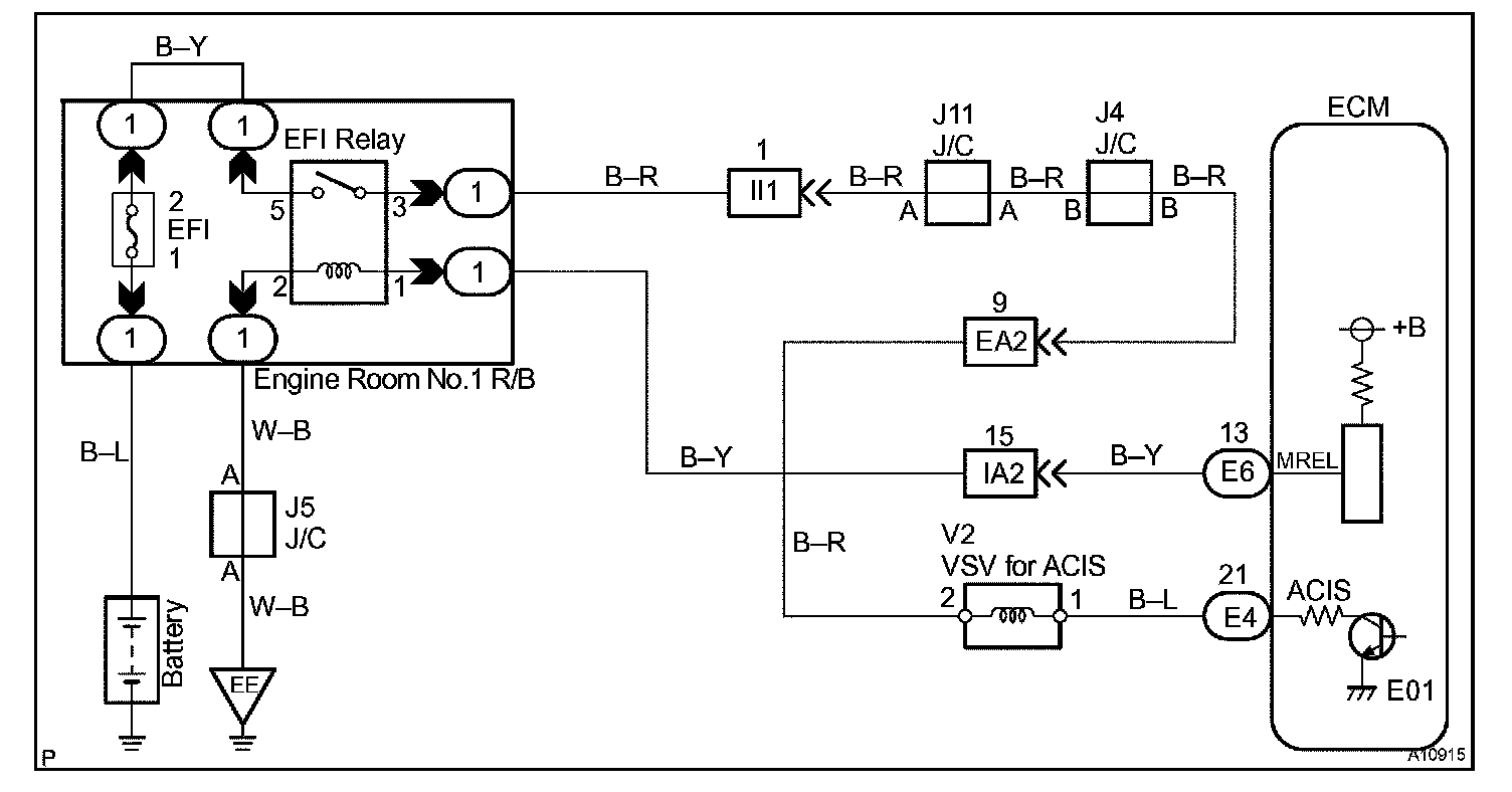
IACV Control Circuit

IACV Control Circuit

CIRCUIT DESCRIPTION




This circuit opens and closes the Intake Air Control Valve (IACV) in response to the engine load in order to increase the intake efficiency.

When the engine speed is 4,300 rpm or less and the throttle valve opening angle is 30° or more, the ECM turns the VSV ON and closes the IACV. At all other times, the VSV is OFF, so that the IACV is open.

HINT: IACV stands for "Acoustic Control Induction System".

Wiring Diagram:






INSPECTION PROCEDURE

Step 1 - 3:




Step 4 - 5:




Hand-held tester

Step 1 - 3:




Step 4 - 5:




OBD II scan tool (excluding hand-held tester)