Curiosii for ever!: Car repair manuals for everyone.

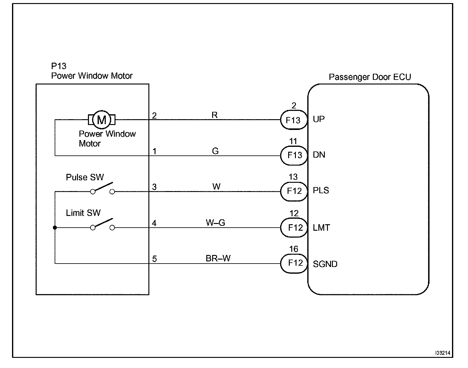
Jam Protection Pulse Switch Circuit

Jam protection pulse switch circuit

CIRCUIT DESCRIPTION
Jam protection pulse switch is built-in the power window motor. Pulse switch outputs ON/OFF pulse when the motor rotates.

Wiring Diagram:






Step 1 - 2:




INSPECTION PROCEDURE