Curiosii for ever!: Car repair manuals for everyone.

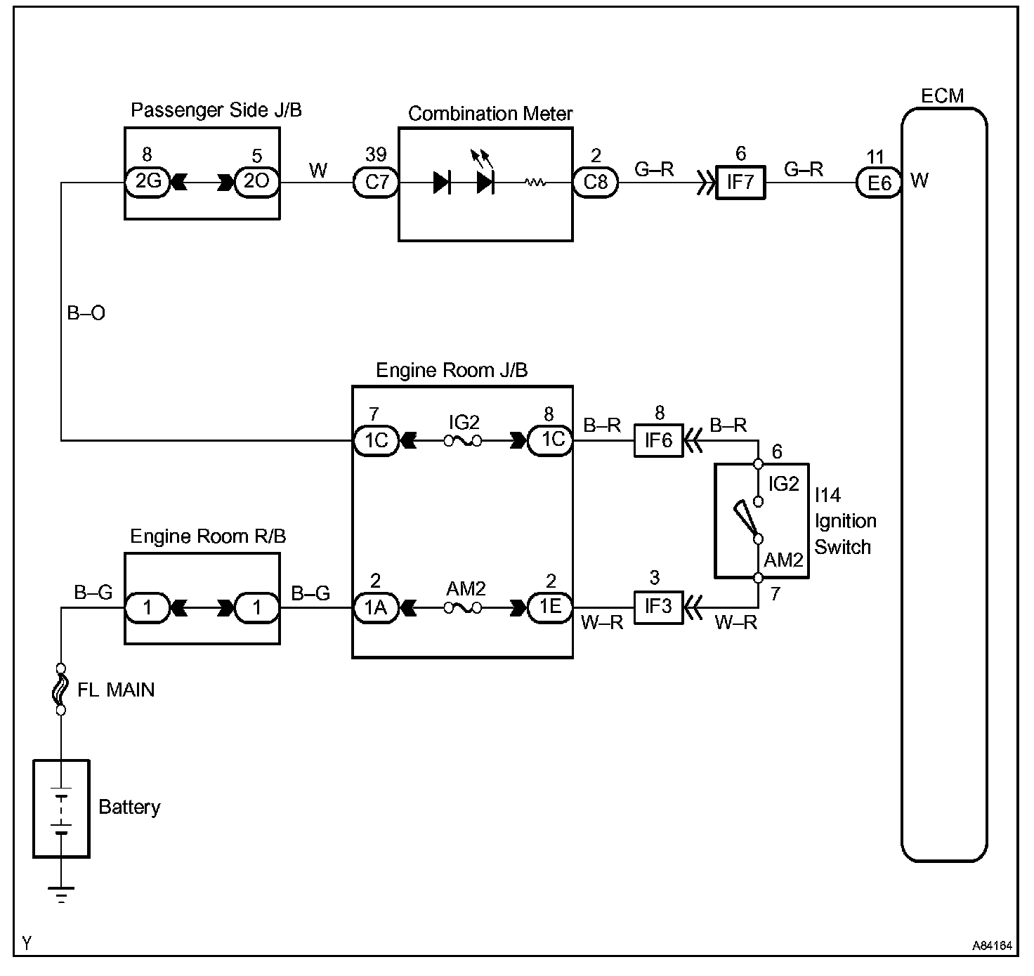
MIL Circuit

MIL CIRCUIT

CIRCUIT DESCRIPTION
The MIL is used to indicate the ECM's detection of a vehicle malfunction.
The instrument panel GAUGE fuse provides the circuit power and the ECM provides the circuit ground that illuminates the MIL.

Operation of MIL should be checked visually:
When the ignition is first turned to ON, the MIL should be illuminated. If the MIL is always OFF or ON, use the hand-held tester or OBD II scan tool and follow the procedure below to determine cause of the problem.

Wiring Diagram:






Step 1 - 3:




Step 4:




INSPECTION PROCEDURE






HINT: Troubleshoot each symptom in accordance with the table.