Curiosii for ever!
: Car repair manuals for everyone.
Home
>>
Lexus
>>
2005
>>
ES 330 V6-3.3L (3MZ-FE)
>>
Repair and Diagnosis
>>
Power and Ground Distribution
>>
Power Distribution Relay
>>
Testing and Inspection
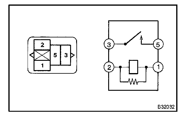
Power Distribution Relay: Testing and Inspection
INSPECT ACC RELAY
a.
Inspect the ACC relay (marking: ACC) continuity.
If the continuity is not as specified, replace the relay.