Curiosii for ever!
: Car repair manuals for everyone.
Home
>>
Lexus
>>
2005
>>
ES 330 V6-3.3L (3MZ-FE)
>>
Repair and Diagnosis
>>
Power and Ground Distribution
>>
Fuse Block
>>
Locations
Fuse Block: Locations
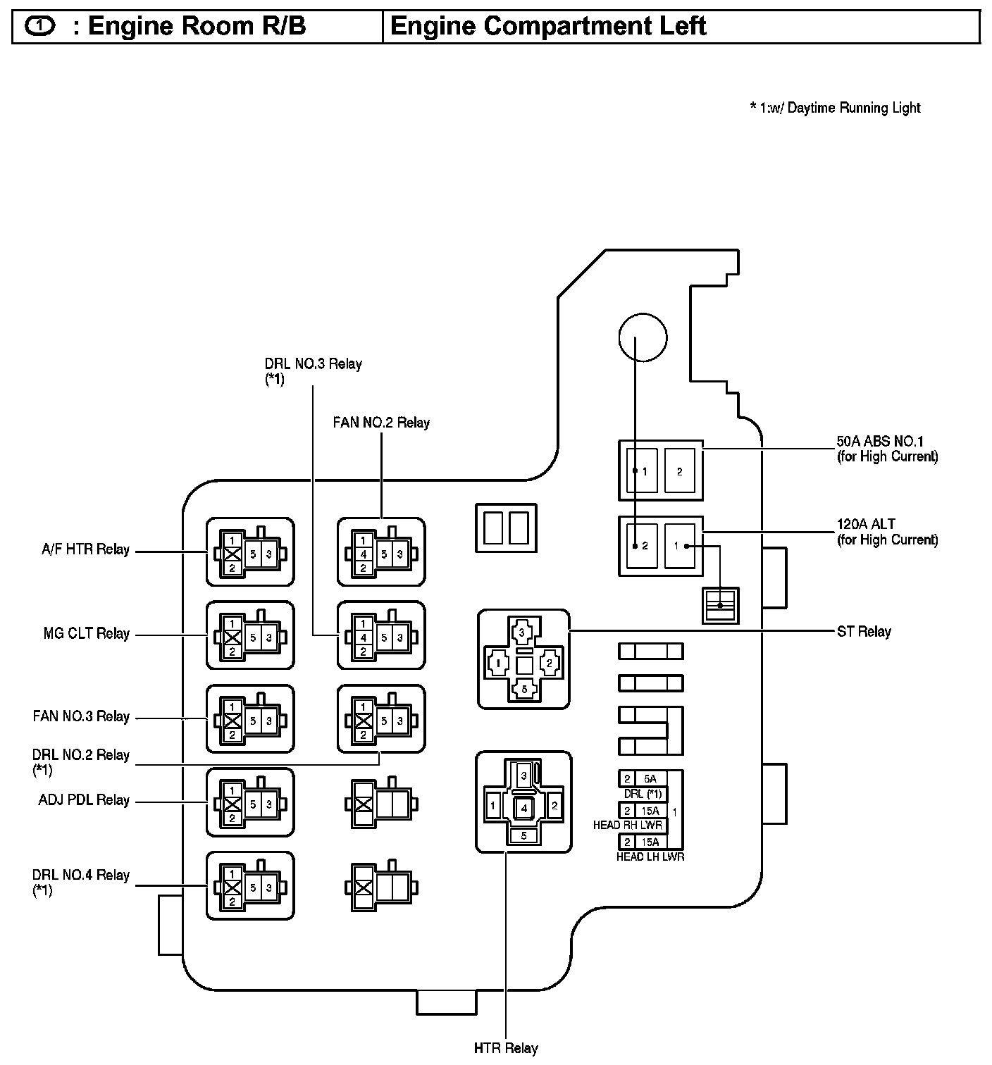
Engine Room R/B - Engine Compartment Left:
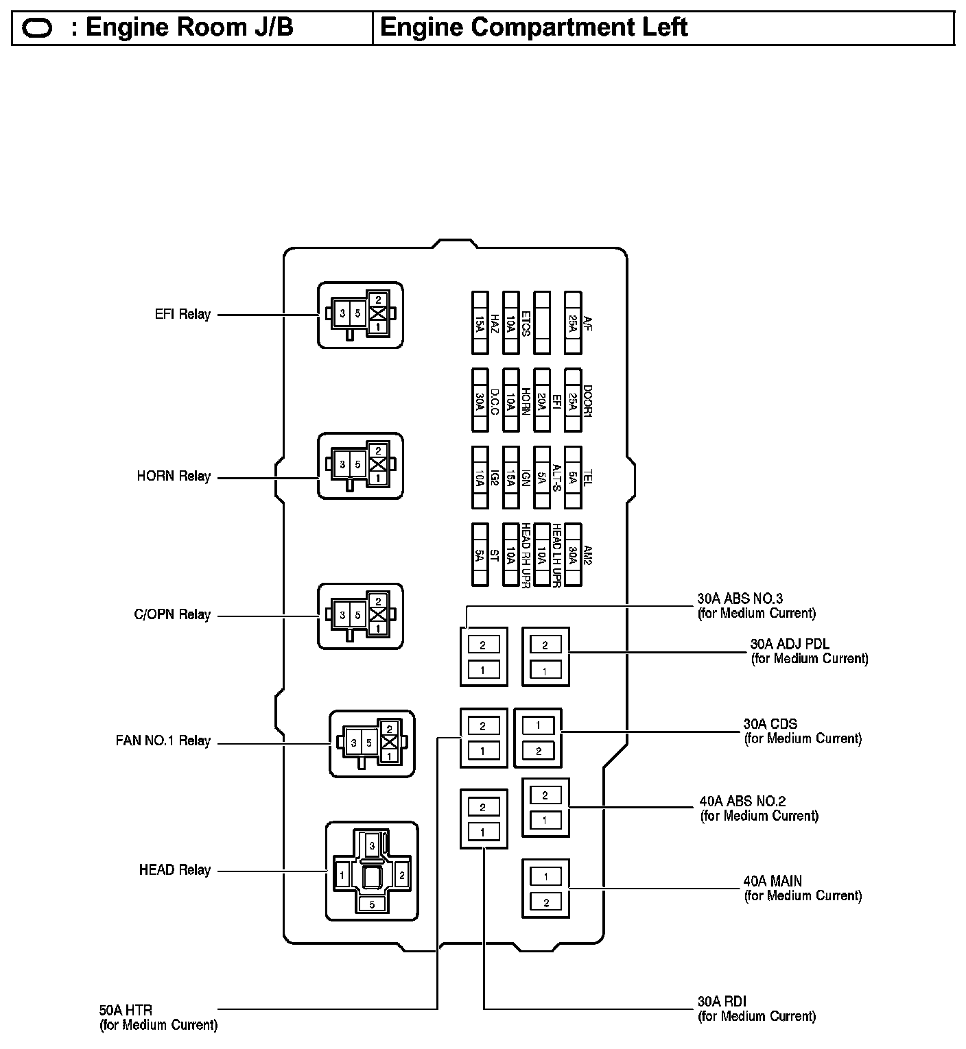
Engine Room J/B - Engine Compartment Left:
Driver Side J/B - Lower Finish Panel:
Fuse Details
Engine Compartment:
Instrument Panel:
Body:
Locations