Curiosii for ever!
: Car repair manuals for everyone.
Home
>>
Lexus
>>
2004
>>
GS 430 V8-4.3L (3UZ-FE)
>>
Repair and Diagnosis
>>
Diagrams
>>
Exploded Views
>>
Engine
>>
Cylinder Head Assembly
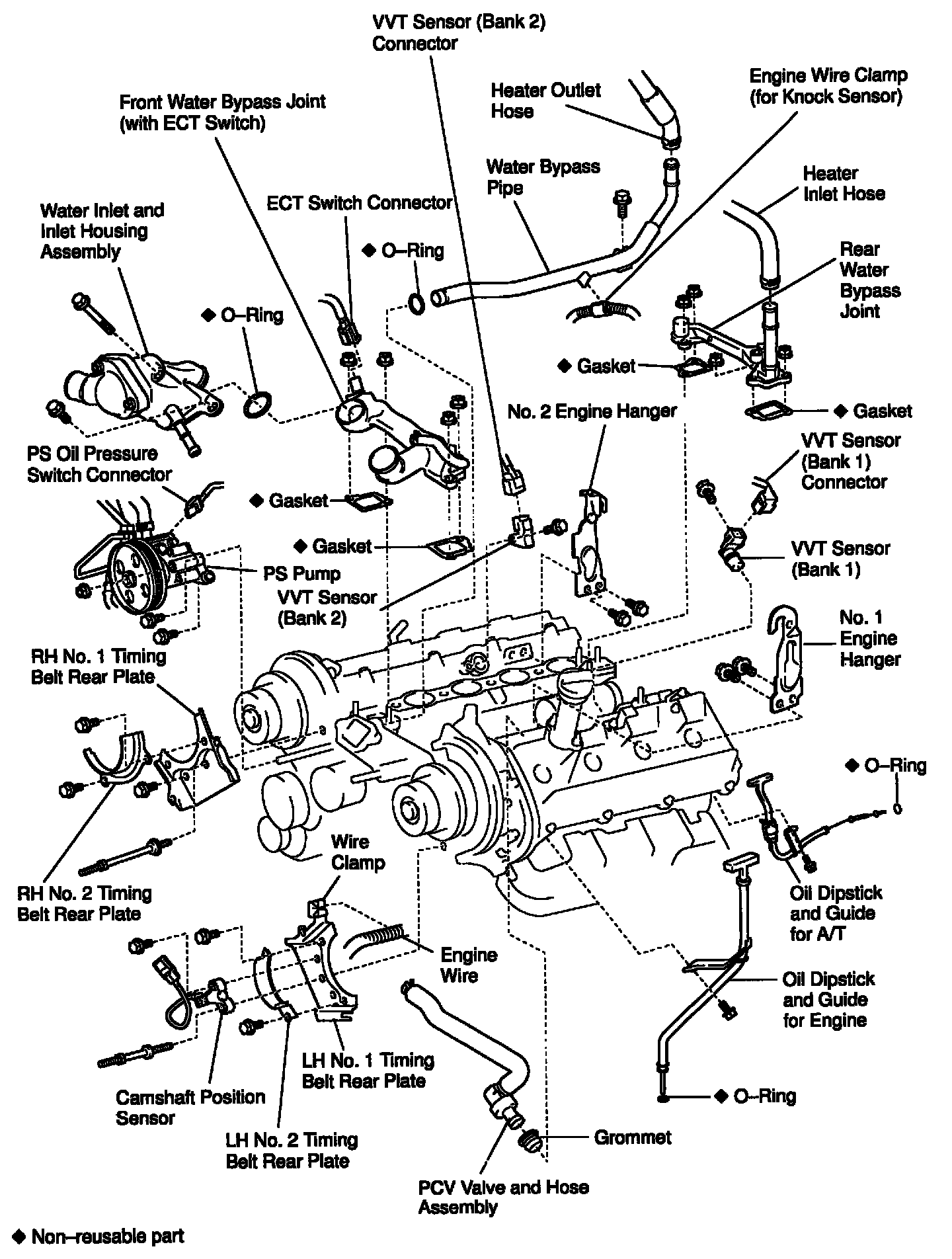
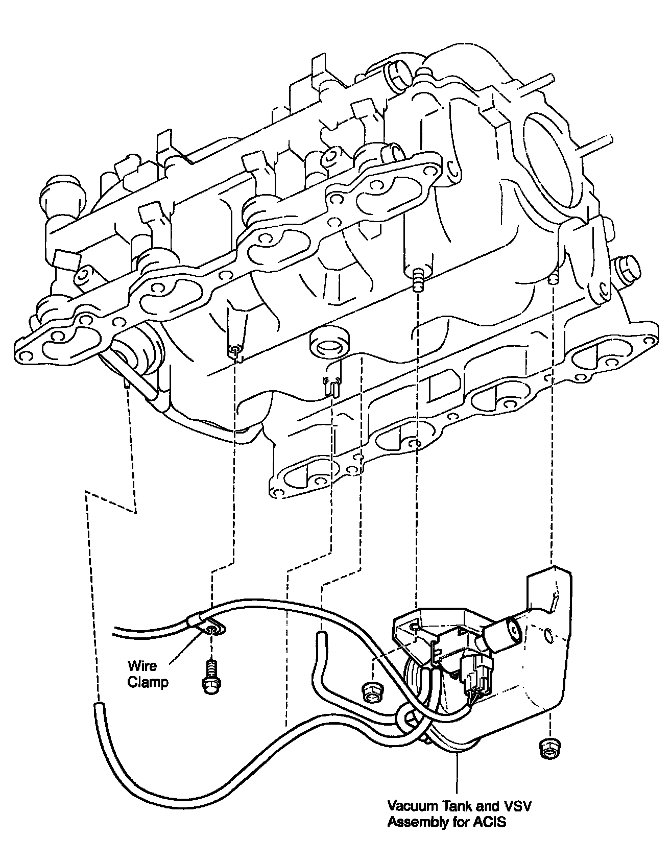
Cylinder Head Assembly
Part 1 Of 9:
Part 2 Of 9:
Part 3 Of 9:
Part 4 Of 9:
Part 5 Of 9:
Part 6 Of 9:
Part 7 Of 9:
Part 8 Of 9:
Part 9 Of 9:
CYLINDER HEAD REPLACEMENT AND OVERHAUL W/ RELATED COMPONENTS