Curiosii for ever!
: Car repair manuals for everyone.
Home
>>
Lexus
>>
2004
>>
GS 430 V8-4.3L (3UZ-FE)
>>
Repair and Diagnosis
>>
Body and Frame
>>
Body Control Systems
>>
Testing and Inspection
>>
Symptom Related Diagnostic Procedures
>>
Body No. 2 Control System
>>
Symptom Diagnostic Procedures
>>
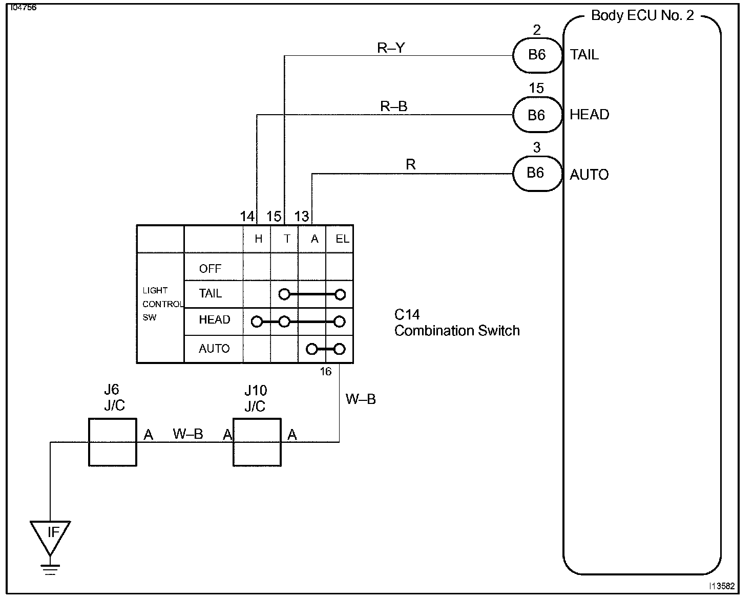
Light Control Switch Circuit
Light Control Switch Circuit
Wiring Diagram:
Step 1 - 2:
Step 3:
INSPECTION PROCEDURE
HINT:
In case of using the hand-held tester, start the inspection from step 1 and in case of not using the hand-held tester, start from step 2.