Curiosii for ever!: Car repair manuals for everyone.

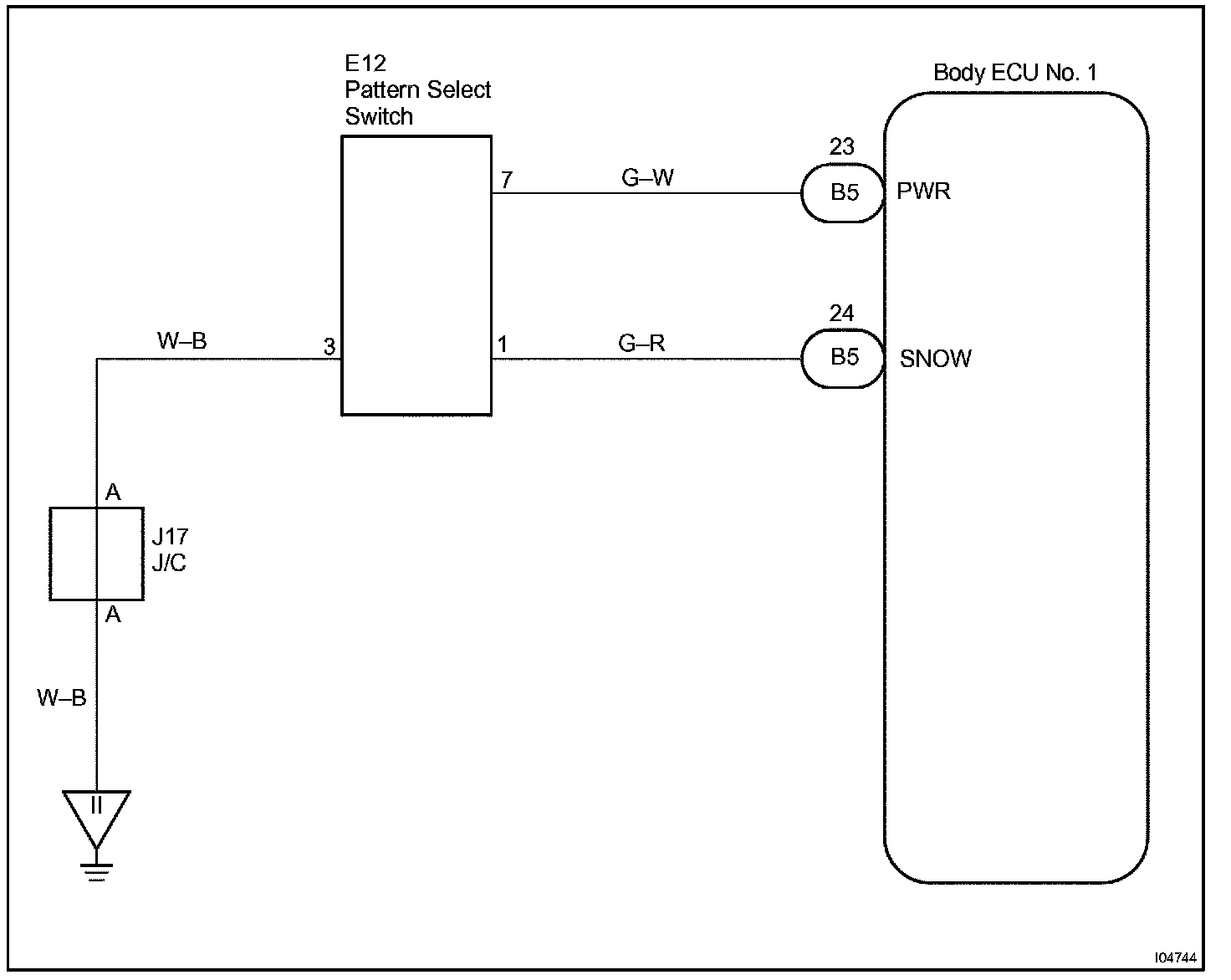
Pattern Select Switch Circuit

CIRCUIT DESCRIPTION

Body ECU No. 1 detect the state of pattern select switch.

Wiring Diagram:






Step 1 - 3:




INSPECTION PROCEDURE

HINT: In case of using the hand-held tester, start the inspection from step 1 and incase of not using the hand-held tester, start from step 2.