Curiosii for ever!
: Car repair manuals for everyone.
Home
>>
Lexus
>>
2004
>>
GS 300 L6-3.0L (2JZ-GE)
>>
Repair and Diagnosis
>>
Body and Frame
>>
Body Control Systems
>>
Testing and Inspection
>>
Symptom Related Diagnostic Procedures
>>
Passenger Door Control System
>>
Symptom Diagnostic Procedures
>>
Jam Protection Pulse Switch Circuit
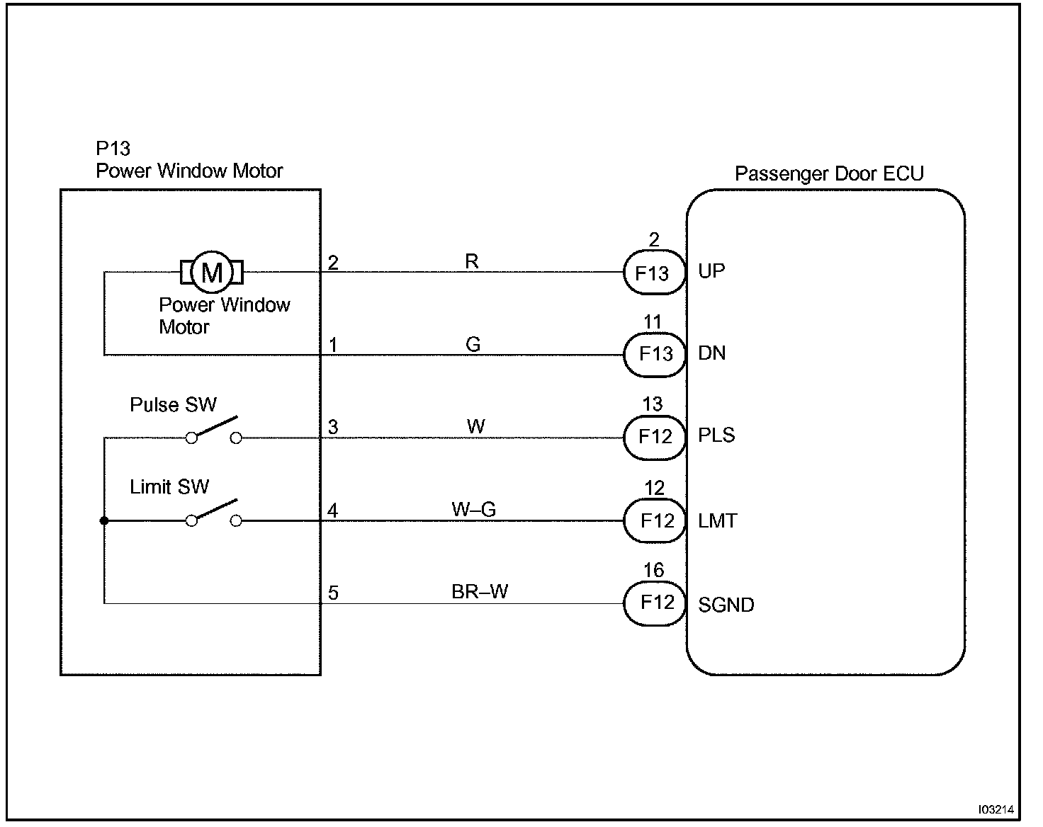
Jam Protection Pulse Switch Circuit
CIRCUIT DESCRIPTION
Jam protection pulse switch is built-in the power window motor. Pulse switch outputs ON/OFF pulse when the motor rotates.
Wiring Diagram:
Step 1 - 2:
INSPECTION PROCEDURE