Curiosii for ever!
: Car repair manuals for everyone.
Home
>>
Lexus
>>
2004
>>
ES 330 V6-3.3L (3MZ-FE)
>>
Repair and Diagnosis
>>
Power and Ground Distribution
>>
Fuse
>>
Locations
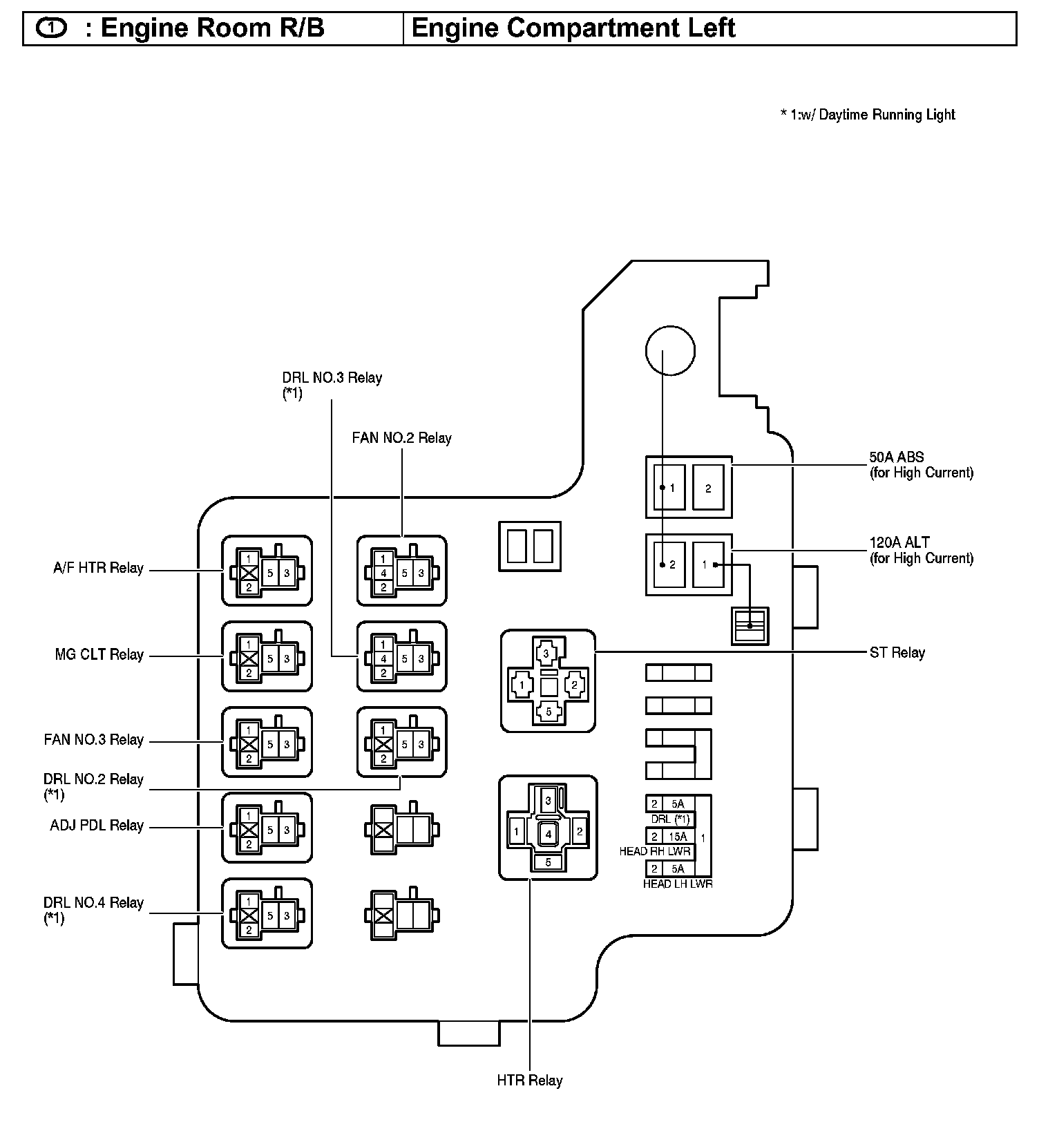
Fuse: Locations
Engine Room R/B - Engine Compartment Left: