Curiosii for ever!: Car repair manuals for everyone.

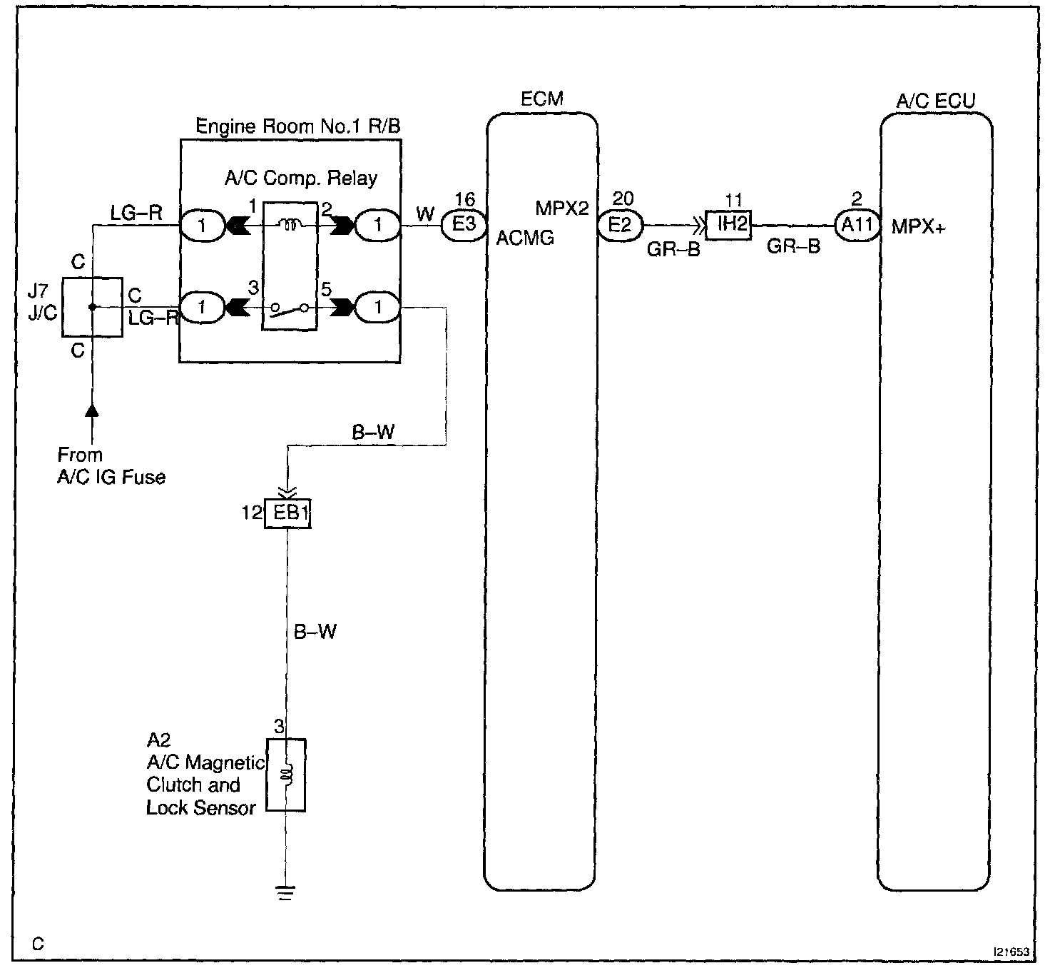
Compressor Circuit

CIRCUIT DESCRIPTION

The A/C ECU outputs the magnetic clutch ON signal from terminal MPX2 to the ECM. When the ECM receives this signal, it sends a signal from terminal ACMG and switches the A/C magnetic clutch relay ON, thus turning the A/C compressor magnetic clutch ON.

Wiring Diagram:






Step 1 - 2:




Step 3 - 5:




INSPECTION PROCEDURE