Curiosii for ever!
: Car repair manuals for everyone.
Home
>>
Lexus
>>
2003
>>
IS 300 L6-3.0L (2JZ-GE)
>>
Repair and Diagnosis
>>
Body and Frame
>>
Body Control Systems
>>
Testing and Inspection
>>
Symptom Related Diagnostic Procedures
>>
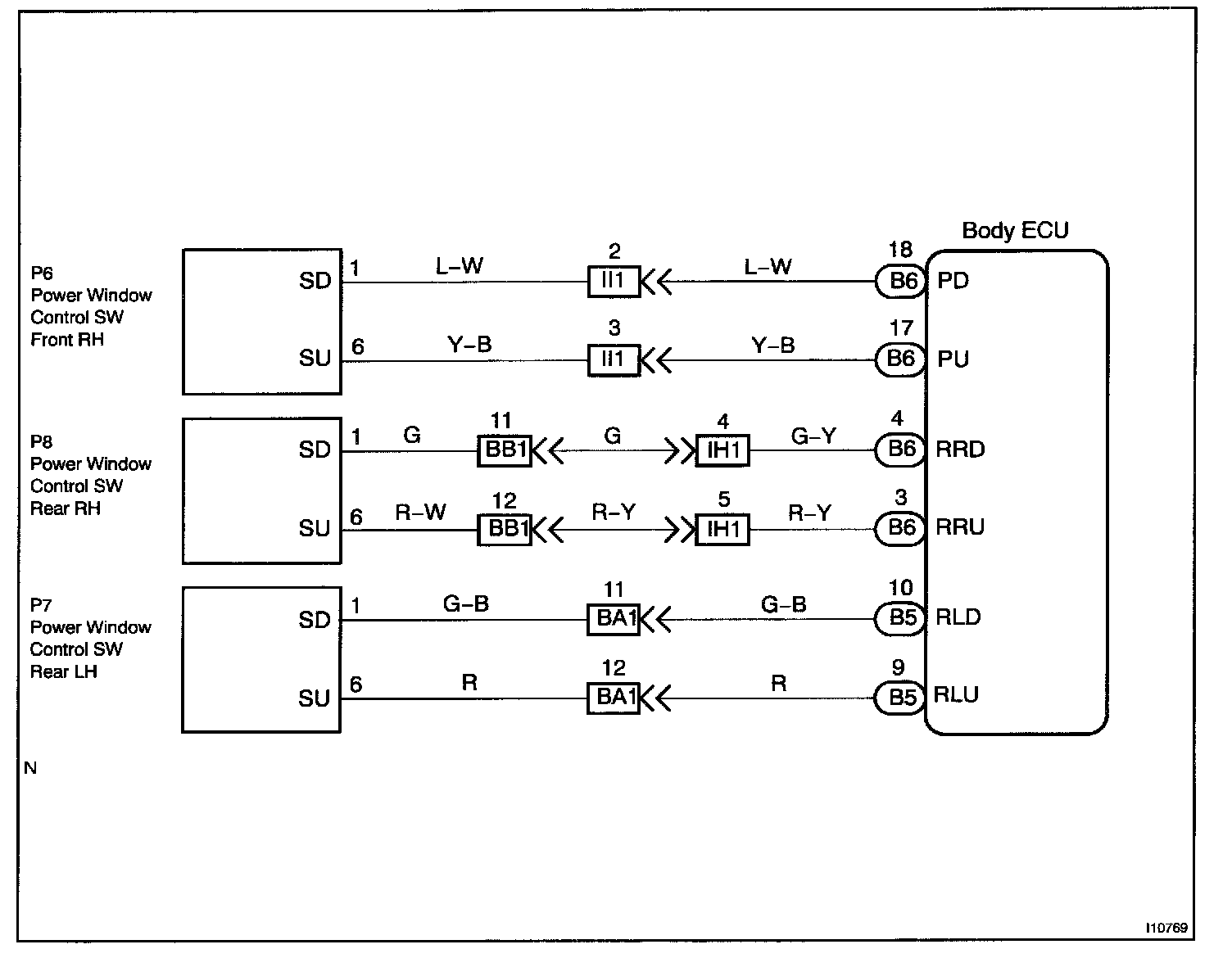
Power Window Switch Circuit
Power Window Switch Circuit
Wiring Diagram:
Step 1 - 3:
INSPECTION PROCEDURE