Connector Views
Driver Side J/B - Left Kick Panel:
Driver Side J/B - Left Kick Panel:
Passenger Side J/B - Right Kick Panel:
Passenger Side J/B - Right Kick Panel:
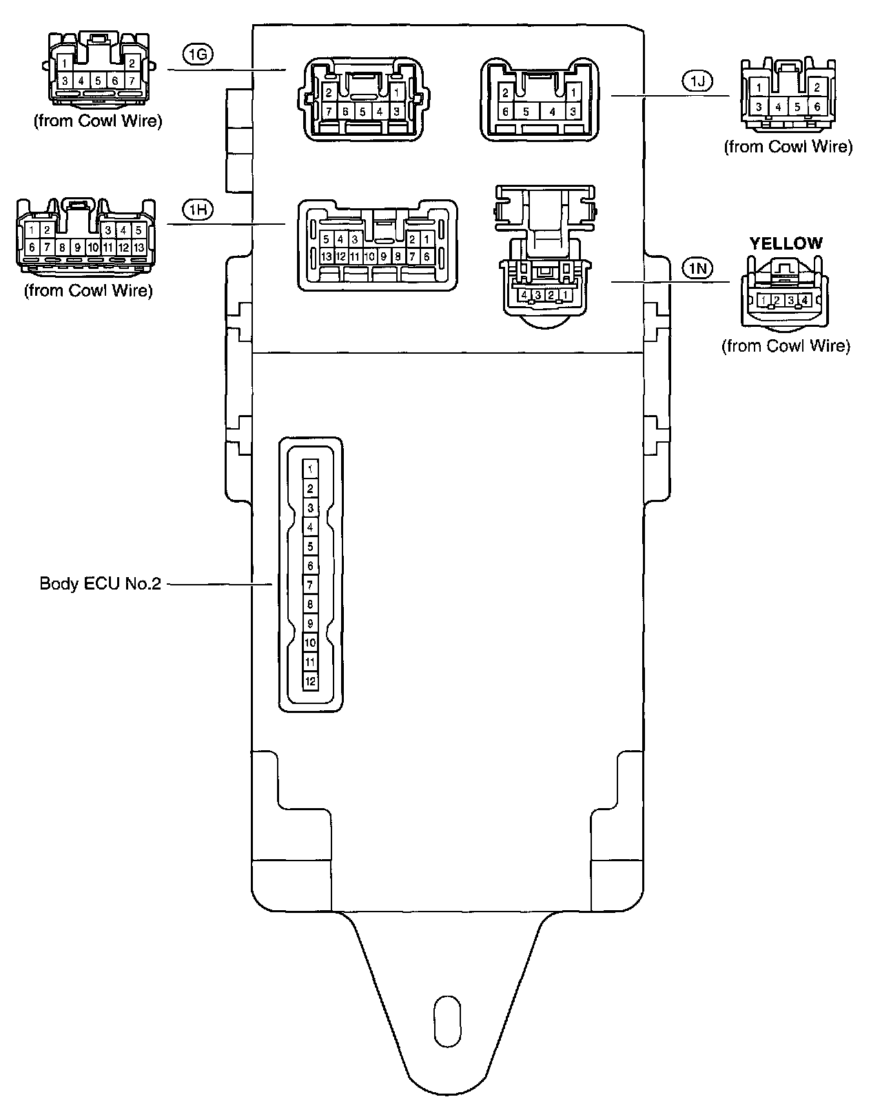
Instrument Panel J/B - Instrument Panel Reinforcement Center:
Instrument Panel J/B - Instrument Panel Reinforcement Center: