Curiosii for ever!
: Car repair manuals for everyone.
Home
>>
Lexus
>>
2003
>>
GS 430 V8-4.3L (3UZ-FE)
>>
Repair and Diagnosis
>>
Diagrams
>>
Exploded Views
>>
Control Arm
>>
Rear
>>
Lower
Lower
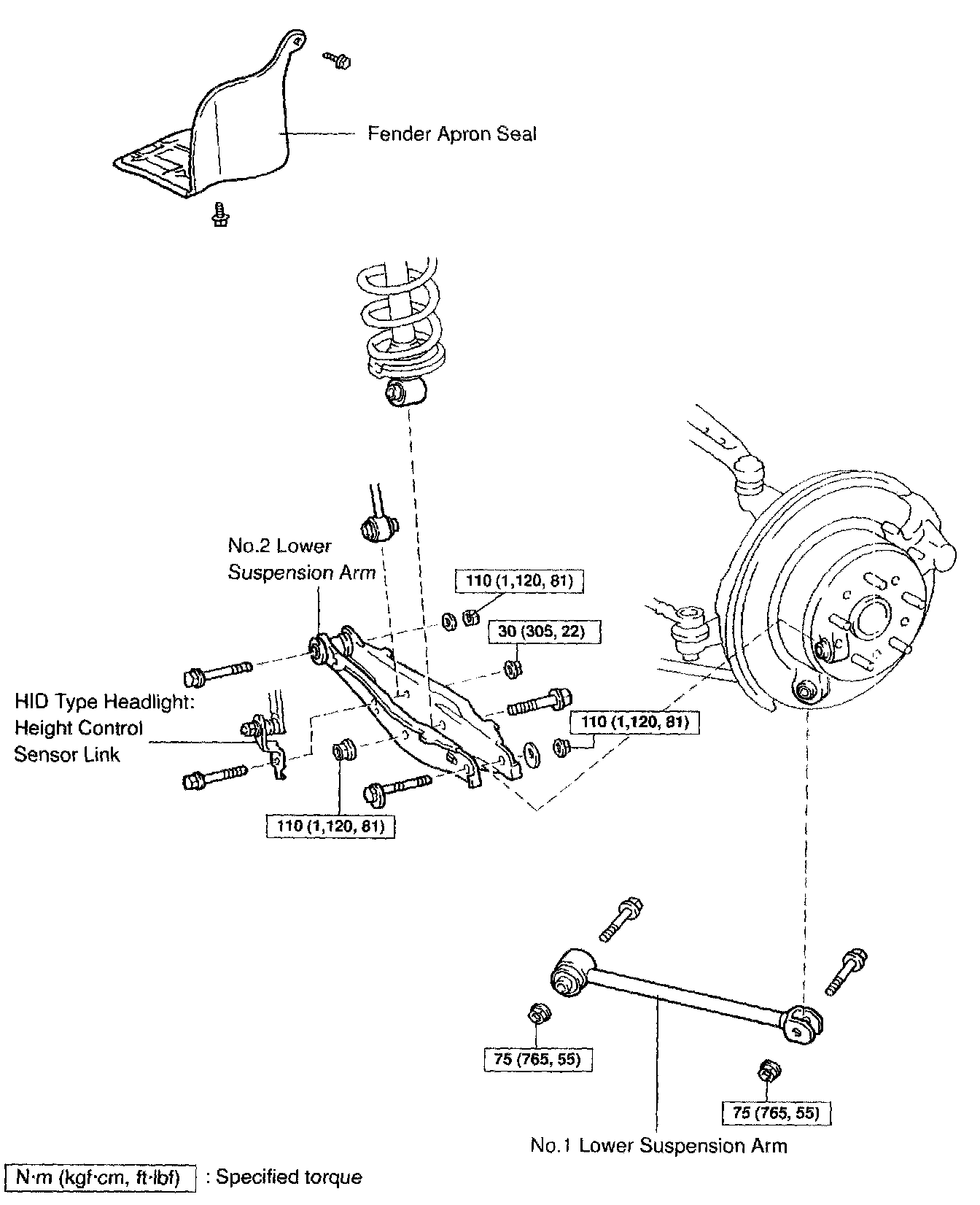
REAR LOWER SUSPENSION ARM REPLACEMENT W/ RELATED COMPONENTS