Curiosii for ever!
: Car repair manuals for everyone.
Home
>>
Lexus
>>
2003
>>
GS 430 V8-4.3L (3UZ-FE)
>>
Repair and Diagnosis
>>
Body and Frame
>>
Body Control Systems
>>
Testing and Inspection
>>
Symptom Related Diagnostic Procedures
>>
Passenger Door Control System
>>
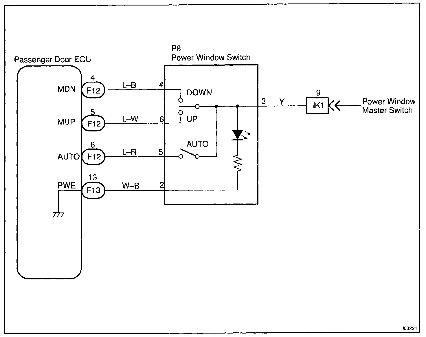
Power Window Switch Circuit
Power Window Switch Circuit
CIRCUIT DESCRIPTION
Power window switch circuit can be checked using DTC check.
Wiring Diagram:
Step 1 - 4:
INSPECTION PROCEDURE