Curiosii for ever!
: Car repair manuals for everyone.
Home
>>
Lexus
>>
2003
>>
GS 430 V8-4.3L (3UZ-FE)
>>
Repair and Diagnosis
>>
Body and Frame
>>
Body Control Systems
>>
Testing and Inspection
>>
Symptom Related Diagnostic Procedures
>>
Passenger Door Control System
>>
Jam Protection Pulse Switch Circuit
Jam Protection Pulse Switch Circuit
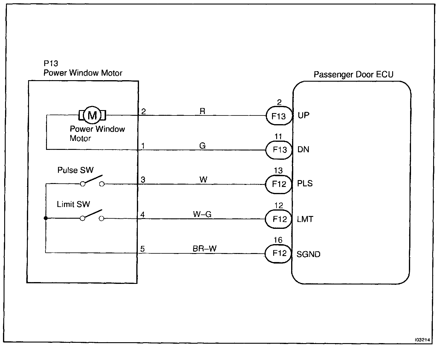
CIRCUIT DESCRIPTION
Jam protection pulse switch is built-in the power window motor. Pulse switch outputs ON/OFF pulse when the motor rotates.
Wiring Diagram:
Step 1 - 2:
INSPECTION PROCEDURE